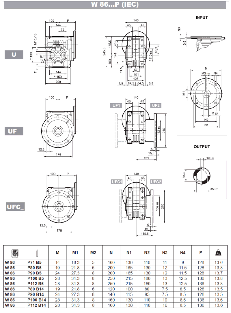
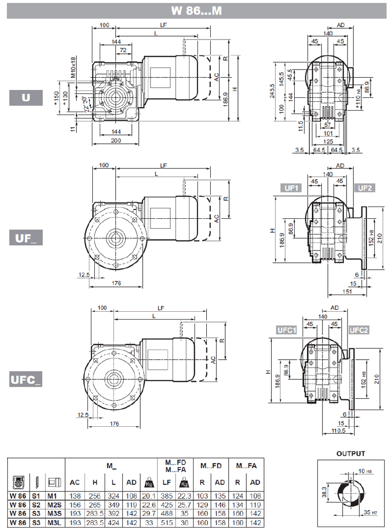
Габаритно-присоединительные размеры W86

 

Назад

Габаритно-присоединительные размеры W86

Габаритно-присоединительные размеры W86

Назад

 
© 2014 Редукторы, мотор-редукторы, устройства плавного пуска, преобразователи частоты