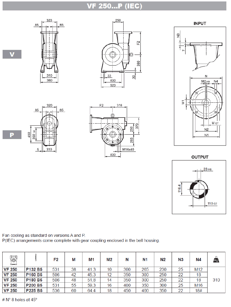
Габаритно-присоединительные размеры VF250

 

Назад

Габаритно-присоединительные размеры VF250

Габаритно-присоединительные размеры VF250

Назад

 
© 2014 Редукторы, мотор-редукторы, устройства плавного пуска, преобразователи частоты