
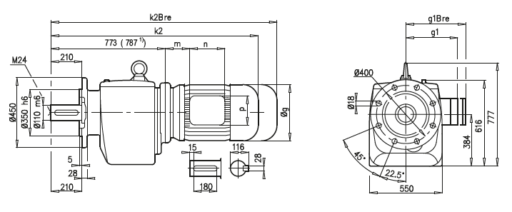
Габаритные и присоединительные размеры NORD мотор-редукторы SK 92, SK 92F |
| |
SK 92

SK 92F

A45 |
180 MX/LX |
225 S/M |
250 M 1) |
280 S 1) |
280 M 1) |
315 S 1) |
315 M 1) |
g |
358 |
398 |
495 |
555 |
555 |
610 |
610 |
g1 / g1Bre |
259 / 259 |
306 / 306 |
392 / 392 |
432 / 432 |
432 / 432 |
500 / – |
500 / – |
k / kBre |
1304 / 1409 |
1389 / 1556 |
1476 / 1556 |
1546 / 1726 |
1536 / 1826 |
1648 / – |
1808 / – |
k2 / k2Bre |
1375 / 1480 |
1460 / 1627 |
1547 / 1797 |
1617 / 1797 |
1607 / 1897 |
1719 / – |
1879 / – |
m / mBre |
93 / 78 |
110 / 110 |
129 / 129 |
144 / 144 |
144 / 144 |
132 / – |
132 / – |
n / nBre |
132 / 162 |
192 / 192 |
234 / 236 |
236 / 236 |
236 / 236 |
307 / – |
307 / – |
p / pBre |
152 / 162 |
260 / 260 |
300 / 300 |
300 / 300 |
300 / 300 |
380 / – |
380 / – |
|
| |