
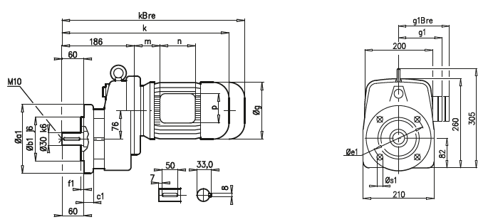
Габаритные и присоединительные размеры NORD мотор-редукторы SK 31E, SK 31EF |
| |
SK 31E

SK 31EF

a1 |
b1 |
c1 |
e1 |
f1 |
s1 |
200 |
130 |
12 |
165 |
3,5 |
11 |
A45 |
100 L |
112 M |
132 S/M |
g |
201 |
228 |
266 |
g1 / g1Bre |
169 / 172 |
179 / 182 |
204 / 201 |
k / kBre |
512 / 603 |
535 / 628 |
621 / 728 |
m / mBre |
52 / 56 |
68 / 72 |
71 / 51 |
n / nBre |
114 / 153 |
114 / 153 |
122 / 185 |
p / pBre |
114 / 108 |
114 / 108 |
122 / 139 |
|
| |