
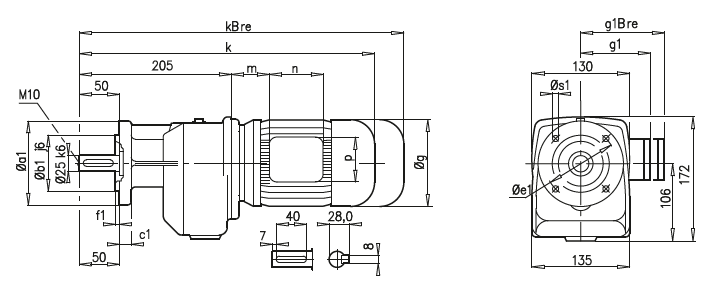
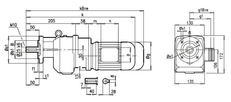
Габаритные и присоединительные размеры NORD мотор-редукторы SK 13, SK 13F |
| |
SK 13

SK 13F

a1 |
b1 |
c1 |
e1 |
f1 |
s1 |
120 |
80 |
10 |
100 |
3,0 |
7 |
140 |
95 |
10 |
115 |
3,0 |
9 |
160 |
110 |
10 |
130 |
3,5 |
9 |
A45 |
63 S/L |
71 S/L |
g |
130 |
145 |
g1 / g1Bre |
115 / 123 |
124 / 133 |
k / kBre |
459 / 515 |
499 / 557 |
m / mBre |
16 / 23 |
42 / 44 |
n / nBre |
100 / 134 |
100 / 134 |
p / pBre |
100 / 89 |
100 / 89 |
|
| |