Общие ведомости запасных частей Nord

 

Назад

SK 11 E- SK 51 E 1 Ведомое колесо
2 Вал-шестерня
5 Приводное колесо
6 Приводная шестерня
7 Выходной вал
8 Шпонка
9 Манжетное уплотнение вала
10 Манжетное уплотнение вала
11 Стопорное кольцо
12 Подшипник выходного вала
13 Стопорное кольцо
14 Прокладка
15 Крышка корпуса
16 Дистанционная втулка
17 Резьбовая пробка воздушного клапана
18 Резиноасбестовое уплотнение для масла
19 Винт с цилиндрическойголовкой
20 Шпонка
21 Дистанционная втулка
22 Подшипник выходного вала
23 Опорная шайба
24 Регулировочный диск
25 Стопорное кольцо
26 Рым-болт
27 Крепежный винт
28 Прокладка
29 Дистанционная втулка
30 Крышка редуктора
31 Подшипник вала-шестерни
32 Прокладка
33 Шпонка
34 Резьбовая пробка
35 Резиноасбестовое уплотнение для масла
36 Дистанционная втулка
37 Подшипник вала-шестерни
38 Подшипник вала-шестерни
39 Стопорное кольцо
40 Защитная крышка
41 Регулировочный диск
42 Опорная шайба
43 Корпус редуктора
44 Стопорное кольцо
47 Регулировочный диск
49 Стопорное кольцо
130 Регулировочный диск
131 Стопорное кольцо
132 Стопорное кольцо
SK 02 - SK 52
SK 62 - SK 102
SK 03 - SK 53 3 Приводное колесо
4 Вал-шестерня SK 63 - SK 103
5 Приводное колесо
6 Приводная шестерня
27 Крепежный винт
28 Прокладка
29 Дистанционная втулка
30 Навесной корпус
34 Резьбовая пробка
35 Резиноасбестовое уплотнение для масла
44 Стопорное кольцо
45 Радиальный шарикоподшипник
46 Шпонка
47 Регулировочный диск
48 Радиальный шарикоподшипник
49 Стопорное кольцо
50 Опорная шайба
51 Стопорное кольцо
52 Стопорное кольцо
53 Шпонка
54 Стопорное кольцо
55 Промежуточный вал, гладкий
56 Промежуточный вал, зубчатый
57 Стопорное кольцо
58 Стопорное кольцо
59 Регулировочный диск
60 Стопорное кольцо
61 Стопорное кольцо
62 Резьбовая пробка
63 Резиноасбестовое уплотнение для масла
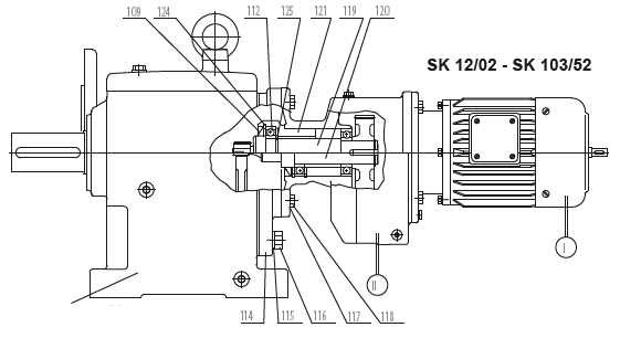
109 Манжетное уплотнение вала
112 Радиальный шарикоподшипник
114 Промежуточный фланец
115 Пружинная шайба
116 Крепежный винт
117 Пружинная шайба
118 Крепежный винт
119 Передаточный вал, гладкий
120 Передаточный вал, зубчатый
121 Втулка подшипника
124 Стопорное кольцо
125 Стопорное кольцо
SK 63 - SK 103
SK 12/02 - SK 103/52

Назад

 
© 2014 Редукторы, мотор-редукторы, устройства плавного пуска, преобразователи частоты