
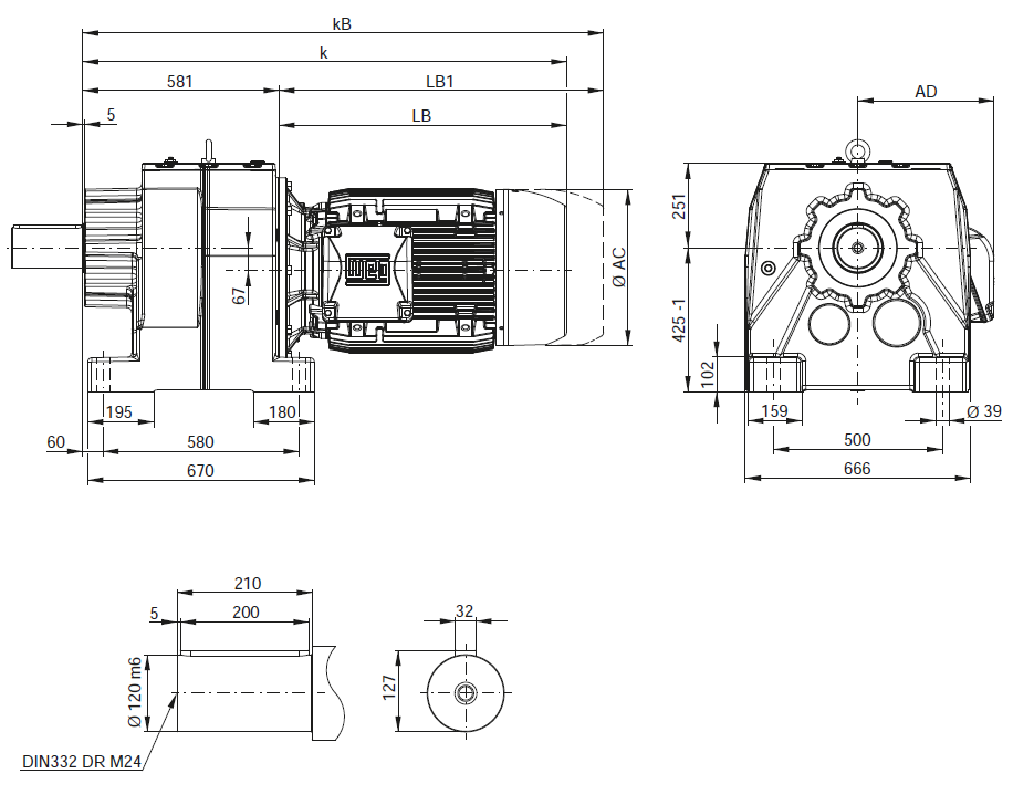
Габаритные размеры мотор-редукторов Watt Drive (Ватт Драйв) серии WEG: CG16, CW16, CC16, CF16, CA16 |
| |
|
CG16 - на лапах

| Типоразмер электродвигателя |
63 |
71 |
80 |
90S/L |
100L |
L100L |
112M |
132S,M |
L132M |
160M |
160L |
180M |
180L |
200L |
225S/M |
250S/M |
AC |
- |
- |
- |
- |
- |
- |
- |
- |
- |
329 |
329 |
347 |
347 |
386 |
453 |
482 |
AD |
- |
- |
- |
- |
- |
- |
- |
- |
- |
266 |
266 |
281 |
281 |
317 |
385 |
403 |
k |
- |
- |
- |
- |
- |
- |
- |
- |
- |
1087 |
1131 |
1155 |
1193 |
1285 |
1393 |
1432 |
kB |
- |
- |
- |
- |
- |
- |
- |
- |
- |
1211 |
1255 |
1273 |
1311 |
1411 |
1511 |
1550 |
LB |
- |
- |
- |
- |
- |
- |
- |
- |
- |
506 |
550 |
574 |
612 |
704 |
812 |
851 |
LB1 |
- |
- |
- |
- |
- |
- |
- |
- |
- |
630 |
674 |
692 |
730 |
830 |
930 |
969 |
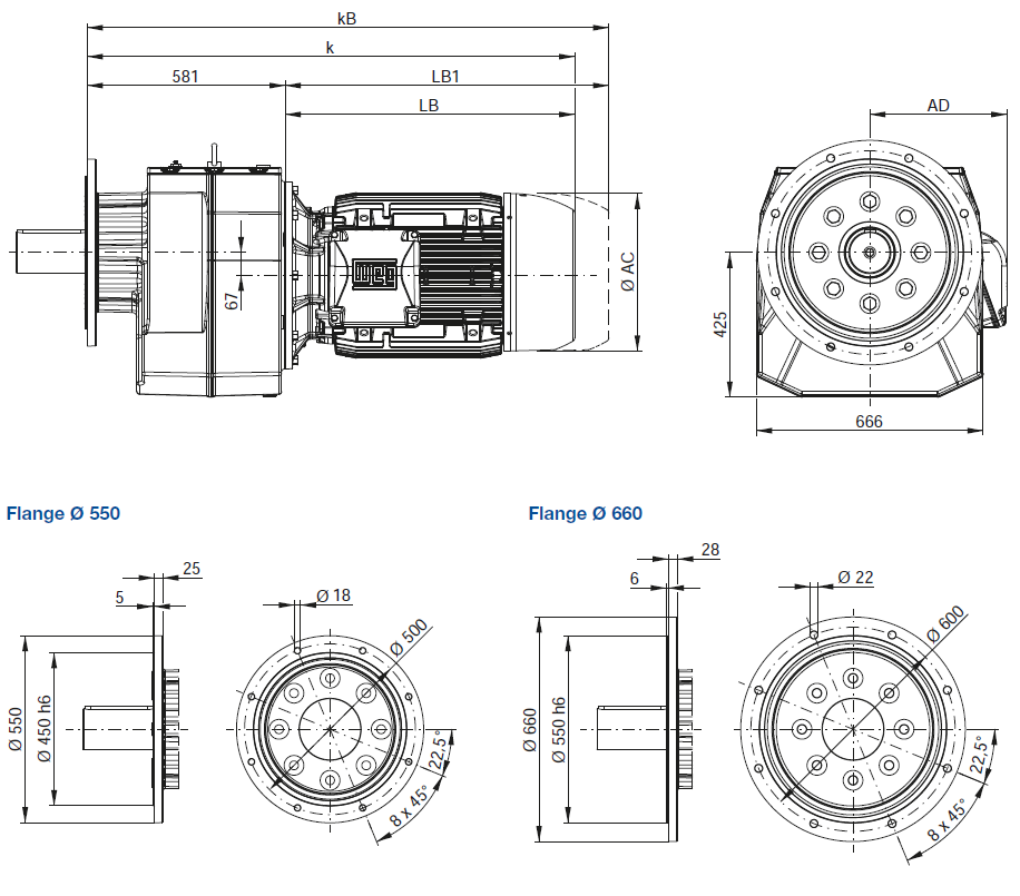
CF16 - Фланцевое исполнение

|
| |