
Габаритные размеры мотор-редукторов Watt Drive (Ватт Драйв) серии WEG: CG14, CW14, CC14, CF14, CA14 |
| |
|
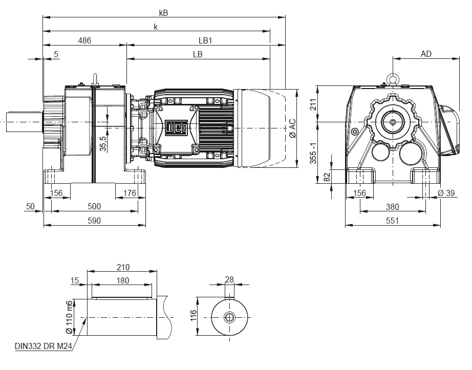
CG14 - на лапах

| Типоразмер электродвигателя |
63 |
71 |
80 |
90S/L |
100L |
L100L |
112M |
132S,M |
L132M |
160M |
160L |
180M |
180L |
200L |
225S/M |
AC |
- |
- |
- |
- |
- |
- |
221 |
261 |
261 |
329 |
329 |
347 |
347 |
386 |
453 |
AD |
- |
- |
- |
- |
- |
- |
180 |
200 |
200 |
266 |
266 |
281 |
281 |
317 |
385 |
k |
- |
- |
- |
- |
- |
- |
834 |
899 |
937 |
1008 |
1052 |
1076 |
1114 |
1206 |
1314 |
kB |
- |
- |
- |
- |
- |
- |
921 |
1017 |
1055 |
1132 |
1176 |
1194 |
1232 |
1332 |
1432 |
LB |
- |
- |
- |
- |
- |
- |
348 |
413 |
451 |
522 |
566 |
590 |
628 |
720 |
828 |
LB1 |
- |
- |
- |
- |
- |
- |
435 |
531 |
569 |
646 |
690 |
708 |
746 |
846 |
946 |
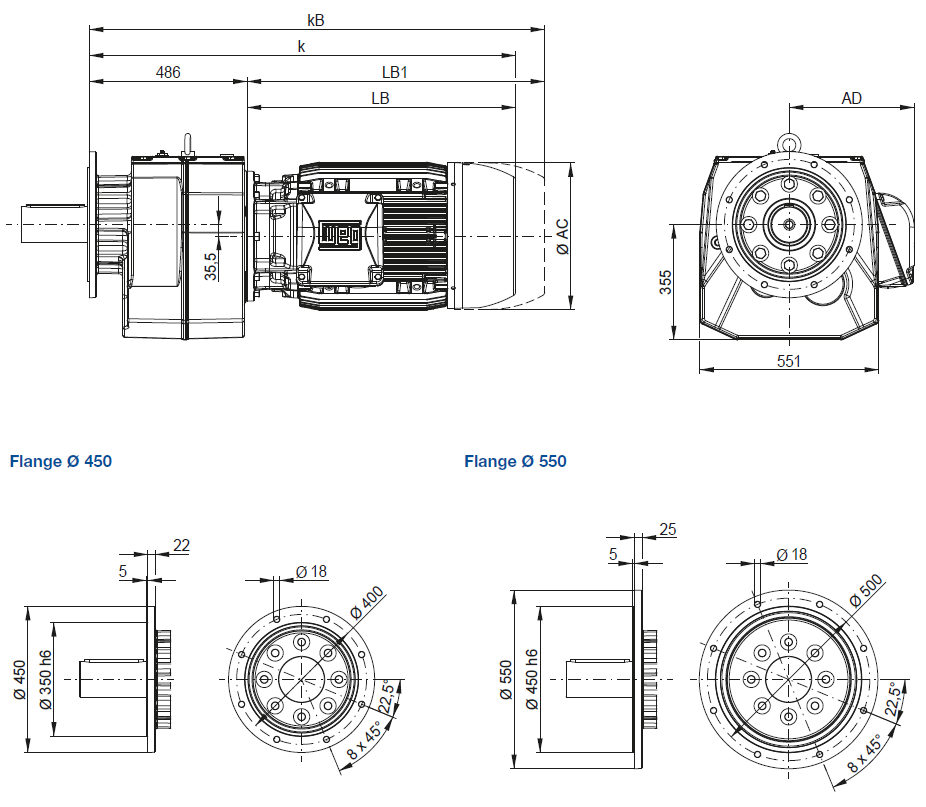
CF14 - Фланцевое исполнение

|
| |