
Габаритные размеры мотор-редукторов Watt Drive (Ватт Драйв) серии WEG: CG13, CW13, CC13, CF13, CA13 |
| |
|
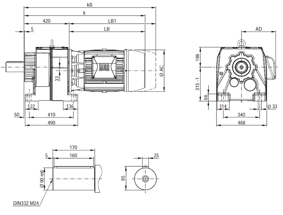
CG13 - на лапах

| Типоразмер электродвигателя |
63 |
71 |
80 |
90S/L |
100L |
L100L |
112M |
132S,M |
L132M |
160M |
160L |
180M |
180L |
200L |
225S/M |
AC |
- |
- |
- |
- |
- |
- |
221 |
261 |
261 |
329 |
329 |
347 |
347 |
386 |
453 |
AD |
- |
- |
- |
- |
- |
- |
180 |
200 |
200 |
266 |
266 |
281 |
281 |
317 |
385 |
k |
- |
- |
- |
- |
- |
- |
768 |
833 |
871 |
942 |
986 |
1010 |
1048 |
1140 |
1248 |
kB |
- |
- |
- |
- |
- |
- |
855 |
951 |
989 |
1066 |
1110 |
1128 |
1166 |
1266 |
1366 |
LB |
- |
- |
- |
- |
- |
- |
348 |
413 |
451 |
522 |
566 |
590 |
628 |
720 |
828 |
LB1 |
- |
- |
- |
- |
- |
- |
435 |
531 |
569 |
646 |
690 |
708 |
746 |
846 |
946 |
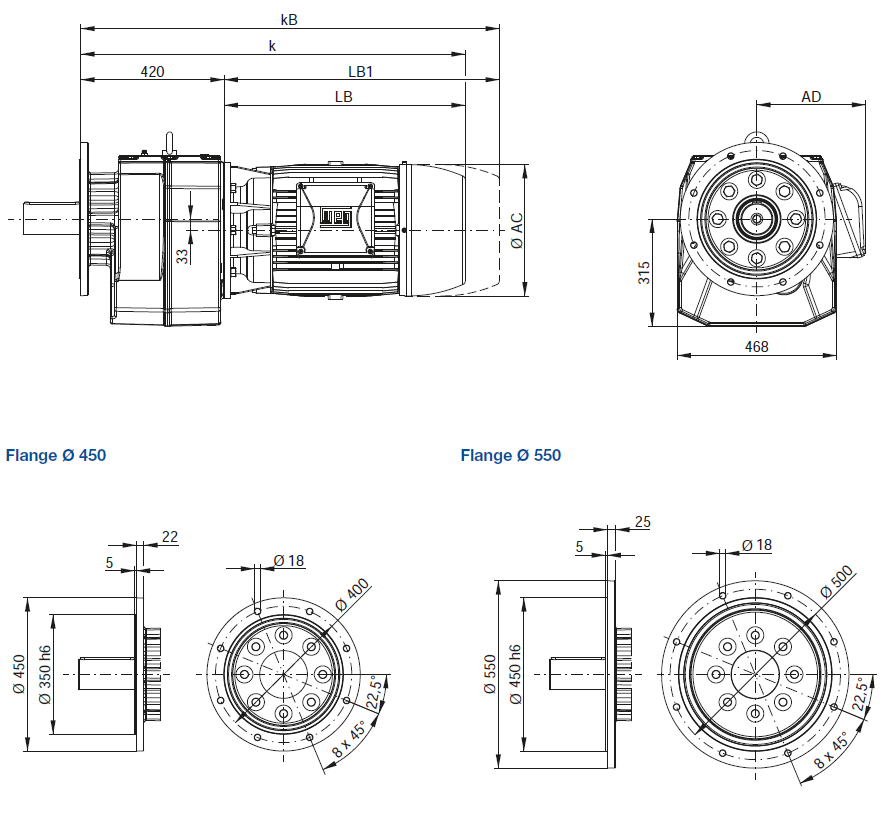
CF13 - Фланцевое исполнение

|
| |