
Габаритные размеры мотор-редукторов Watt Drive (Ватт Драйв) серии WEG: CG10, CW10, CC10, CF10, CA10 |
| |
|
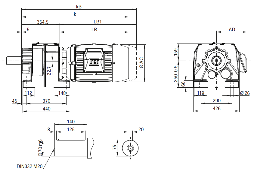
CG10 - на лапах

| Типоразмер электродвигателя |
63 |
71 |
80 |
90S/L |
100L |
L100L |
112M |
132S,M |
L132M |
160M |
160L |
180M |
180L |
200L |
AC |
126 |
141 |
159 |
178 |
199 |
199 |
221 |
261 |
261 |
329 |
329 |
347 |
347 |
386 |
AD |
125 |
133 |
142 |
152 |
162 |
162 |
180 |
200 |
200 |
266 |
266 |
281 |
281 |
317 |
k |
559 |
593 |
601 |
643 |
693 |
731 |
703 |
768 |
806 |
890 |
934 |
958 |
996 |
1088 |
kB |
603 |
642 |
659 |
716 |
777 |
815 |
790 |
886 |
924 |
1014 |
1058 |
1076 |
1114 |
1214 |
LB |
204 |
238 |
246 |
288 |
338 |
376 |
348 |
413 |
451 |
535 |
579 |
603 |
641 |
733 |
LB1 |
248 |
287 |
304 |
361 |
422 |
460 |
435 |
531 |
569 |
659 |
703 |
721 |
759 |
859 |
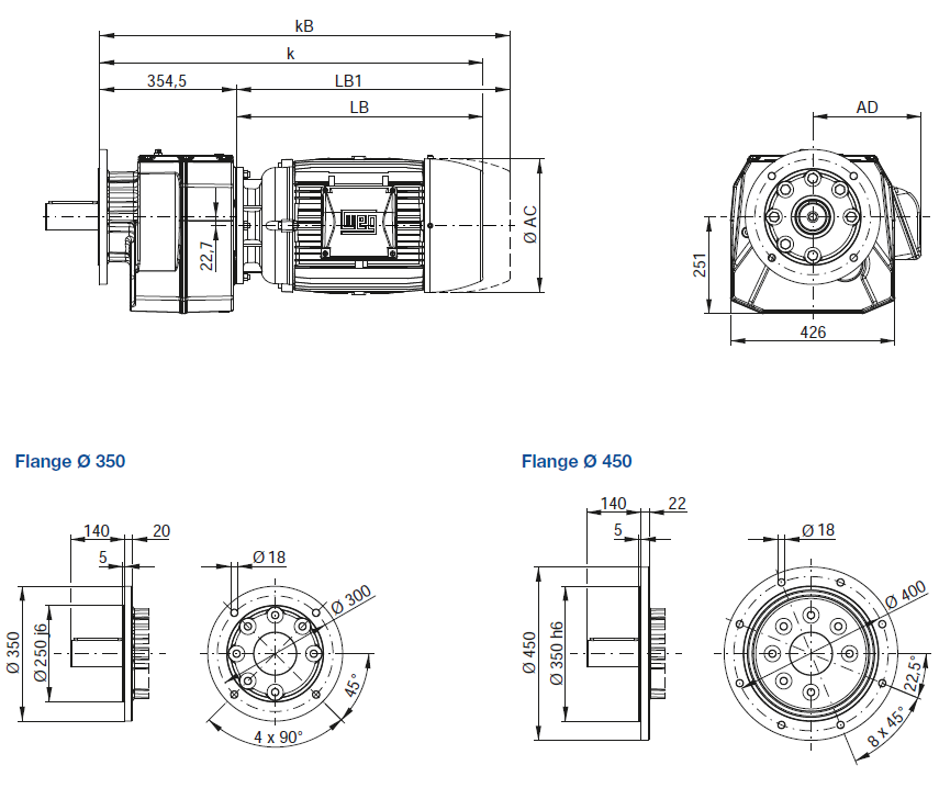
CF10 - Фланцевое исполнение

|
| |