
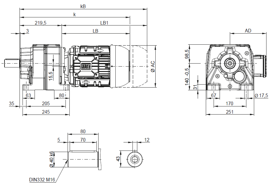
Габаритные размеры мотор-редукторов Watt Drive (Ватт Драйв) серии WEG: CG07, CW07, CC07, CF07, CA07 |
| |
|
CG07 - на лапах

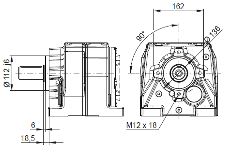
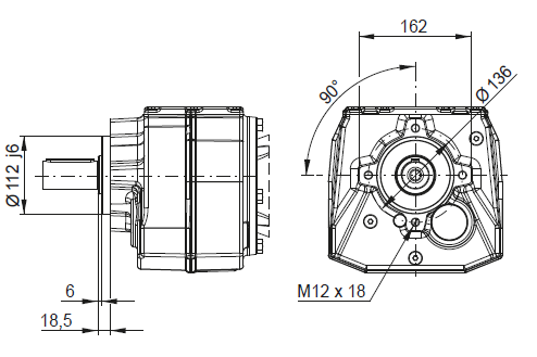
CW07 - На лапах с фланцевым исполнением B14 + центрирующее и резьбовое отверстие

CC07 - B14 фланцевое исполнение + центрирующее и резьбовое отверстие

| Типоразмер электродвигателя |
63 |
71 |
80 |
90S/L |
100L |
L100L |
112M |
132S,M |
L132M |
160M |
160L |
AC |
126 |
141 |
159 |
178 |
199 |
199 |
221 |
261 |
261 |
329 |
329 |
AD |
125 |
133 |
142 |
152 |
162 |
162 |
180 |
200 |
200 |
266 |
266 |
k |
424 |
458 |
466 |
508 |
558 |
596 |
568 |
633 |
671 |
765 |
809 |
kB |
468 |
507 |
524 |
581 |
642 |
680 |
655 |
751 |
789 |
889 |
933 |
LB |
204 |
238 |
246 |
288 |
338 |
376 |
348 |
413 |
451 |
545 |
589 |
LB1 |
248 |
287 |
304 |
361 |
422 |
460 |
435 |
531 |
569 |
669 |
713 |
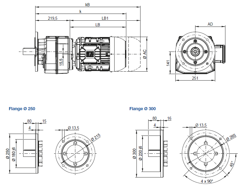
CF07 - Фланцевое исполнение

CA07 - Монтаж на лапах и исполнение с фланцем B5

|
| |