
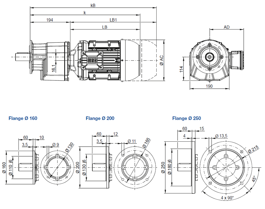
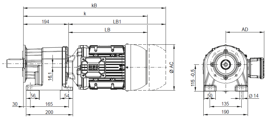
Габаритные размеры мотор-редукторов Watt Drive (Ватт Драйв) серии WEG: CG05, CW05, CC05, CF05, CA05 |
| |
|
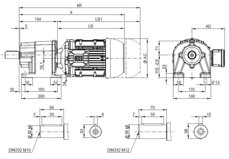
CG05 - на лапах

CW05 - На лапах с фланцевым исполнением B14 + центрирующее и резьбовое отверстие

CC05 - B14 фланцевое исполнение + центрирующее и резьбовое отверстие

| Типоразмер электродвигателя |
63 |
71 |
80 |
90S/L |
100L |
L100L |
112M |
132S,M |
L132M |
AC |
126 |
141 |
159 |
178 |
199 |
199 |
221 |
261 |
261 |
AD |
125 |
133 |
142 |
152 |
162 |
162 |
180 |
200 |
200 |
k |
398 |
432 |
440 |
482 |
532 |
570 |
542 |
607 |
645 |
kB |
442 |
481 |
498 |
555 |
616 |
654 |
629 |
725 |
763 |
LB |
204 |
238 |
246 |
288 |
338 |
376 |
348 |
413 |
451 |
LB1 |
248 |
287 |
304 |
361 |
422 |
460 |
435 |
531 |
569 |
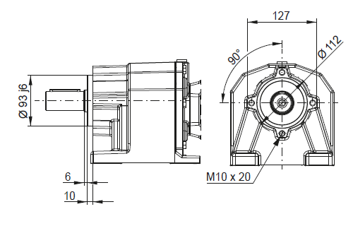
CF05 - Фланцевое исполнение

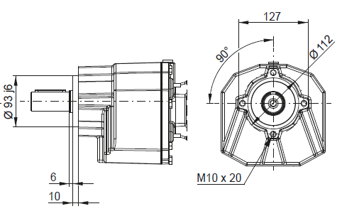
CA05 - Монтаж на лапах и исполнение с фланцем B5

|
| |