
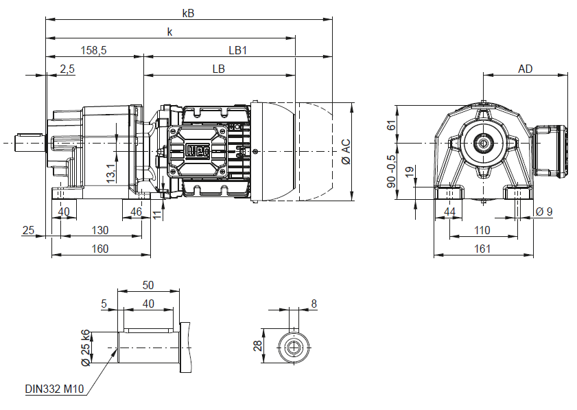
Габаритные размеры мотор-редукторов Watt Drive (Ватт Драйв) серии WEG: CG03, CW03, CC03, CF03, CA03 |
| |
|
CG03 - на лапах

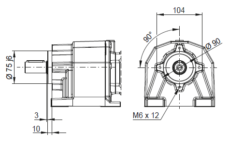
CW03 - На лапах с фланцевым исполнением B14 + центрирующее и резьбовое отверстие

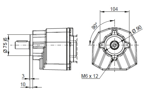
CC03 - B14 фланцевое исполнение + центрирующее и резьбовое отверстие

| Типоразмер электродвигателя |
63 |
71 |
80 |
90S/L |
100L |
L100L |
AC |
126 |
141 |
159 |
178 |
199 |
199 |
AD |
125 |
133 |
142 |
152 |
162 |
162 |
k |
363 |
397 |
405 |
447 |
497 |
535 |
kB |
407 |
446 |
463 |
520 |
581 |
619 |
LB |
204 |
238 |
246 |
288 |
338 |
376 |
LB1 |
248 |
287 |
304 |
361 |
422 |
460 |
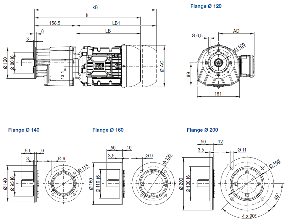
CF03 - Фланцевое исполнение

CA03 - Монтаж на лапах и исполнение с фланцем B5

|
| |