
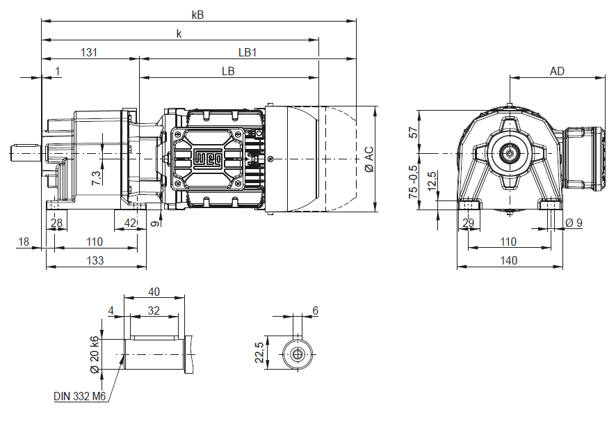
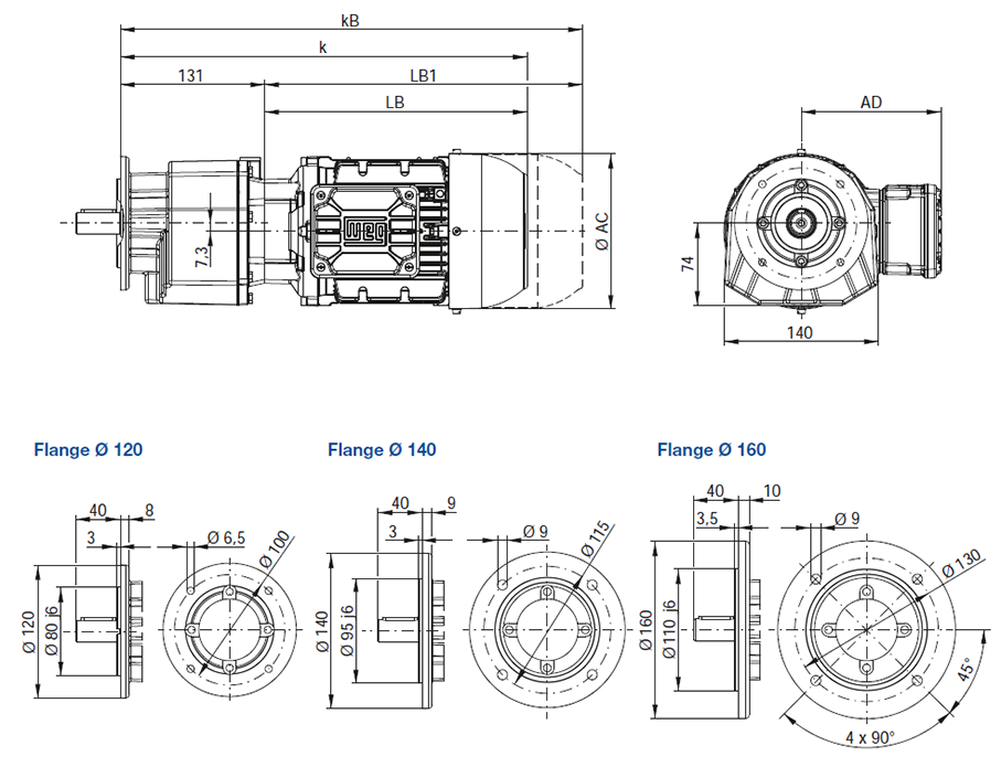
Габаритные размеры мотор-редукторов Watt Drive (Ватт Драйв) серии WEG: CG01, CW01, CC01, CF01, CA01 |
| |
|
CG01 - на лапах

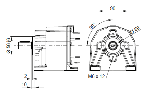
CW01 - На лапах с фланцевым исполнением B14 + центрирующее и резьбовое отверстие

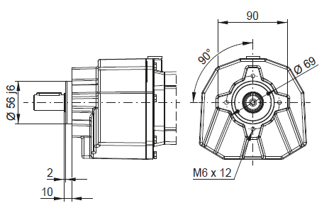
CC01 - B14 фланцевое исполнение + центрирующее и резьбовое отверстие

| Типоразмер электродвигателя |
63 |
71 |
80 |
90S/L |
AC |
126 |
141 |
159 |
178 |
AD |
125 |
133 |
142 |
152 |
k |
335 |
369 |
377 |
419 |
kB |
379 |
418 |
435 |
492 |
LB |
204 |
238 |
246 |
288 |
LB1 |
248 |
287 |
304 |
361 |
CF01 - Фланцевое исполнение

CA01 - Монтаж на лапах и исполнение с фланцем B5

|
| |