
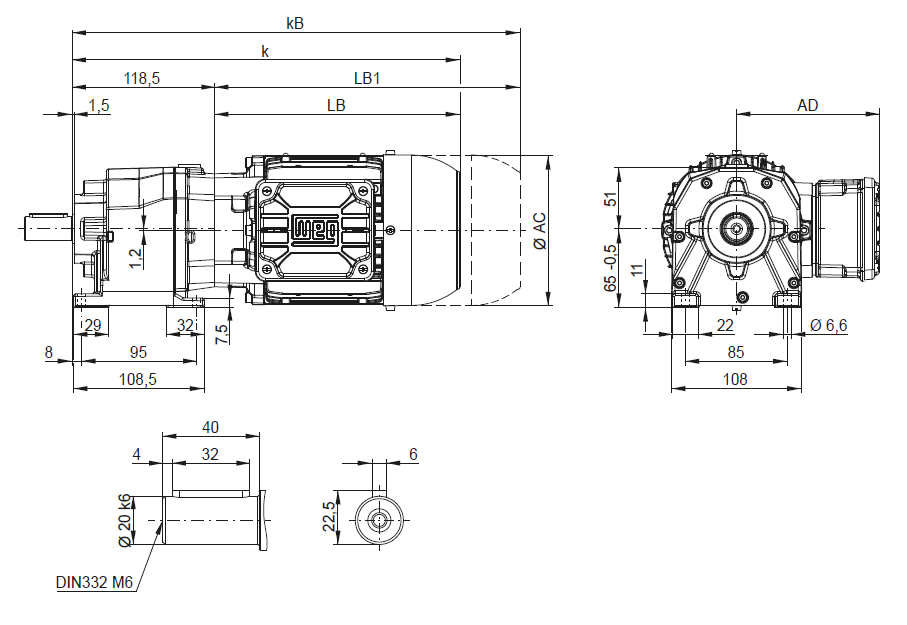
Габаритные размеры мотор-редукторов Watt Drive (Ватт Драйв) серии WEG: CG00, CW00, CC00, CF00, CA00 |
| |
|
CG00 - на лапах

CW00 - На лапах с фланцевым исполнением B14 + центрирующее и резьбовое отверстие
CC00 - B14 фланцевое исполнение + центрирующее и резьбовое отверстие

| Типоразмер электродвигателя |
63 |
71 |
80 |
AC |
126 |
141 |
159 |
AD |
125 |
133 |
142 |
k |
323 |
357 |
365 |
kB |
367 |
406 |
423 |
LB |
204 |
238 |
246 |
LB1 |
248 |
287 |
304 |
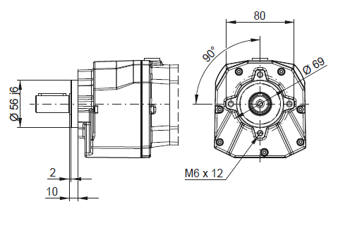
CF00 - Фланцевое исполнение

Размеры выходных фланцев

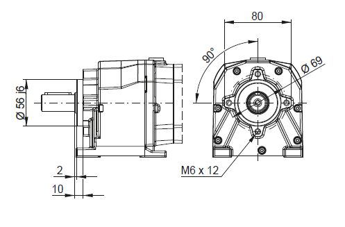
CA00 - Монтаж на лапах и исполнение с фланцем B5

|
| |