
Габаритные и присоединительные размеры мотор-редукторы VRP450 |
| |
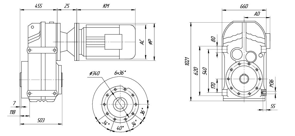
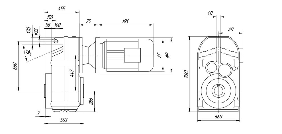
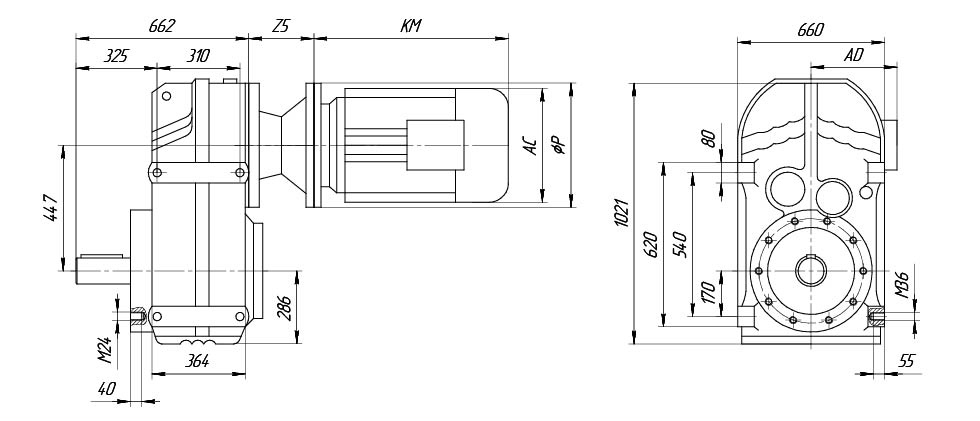
VRP450
Цельный выходной вал VRP450


Полый выходной вал VRP450

Полый выходной вал VRP (F)450

Цельный выходной вал VRP (F)450


Длина переходного фланца Z5*
| Электродвигатель |
63 |
71 |
80 |
90 |
100 |
112 |
132 |
160 |
180 |
200 |
225 |
250 |
280 |
315 |
VRP450 |
|
|
|
|
|
|
|
113.5/155 |
113.5/155 |
115.5/160 |
145.5/190 |
145.5/190 |
145.5/190 |
184/190 |
|
| |