
Габаритные и присоединительные размеры мотор-редукторы VRP445 |
| |
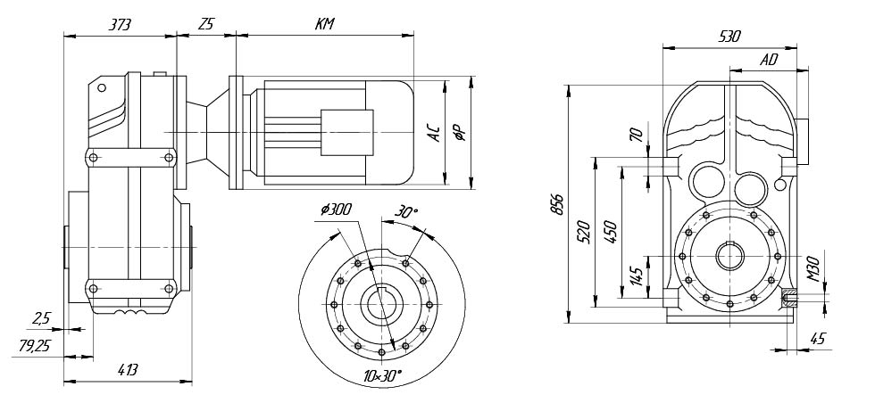
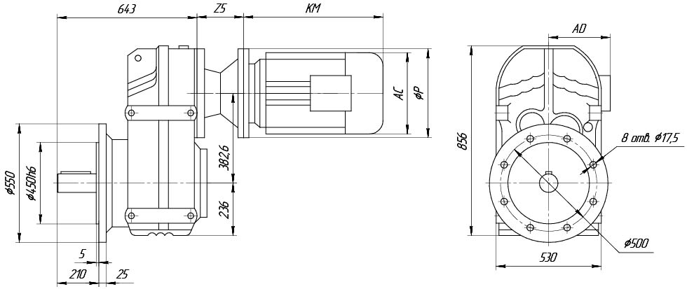
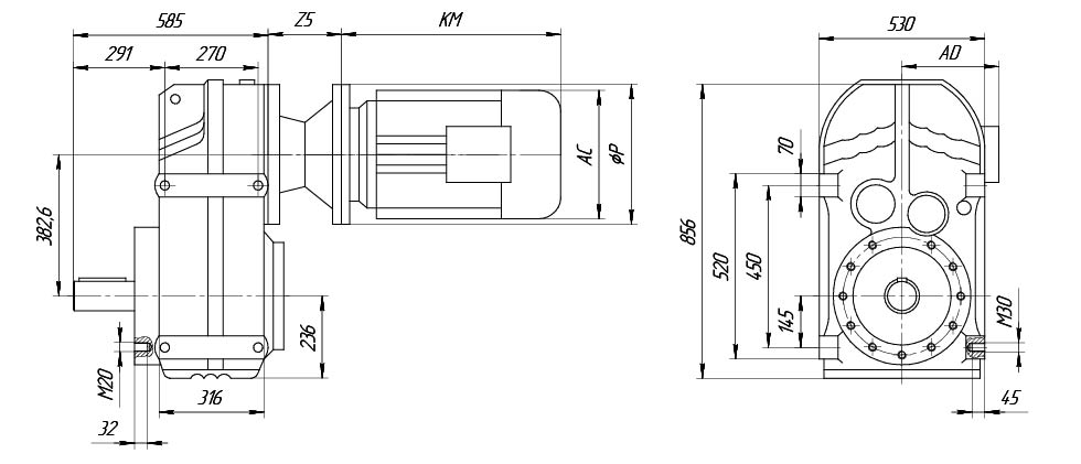
VRP445
Цельный выходной вал VRP445


Полый выходной вал VRP445

Полый выходной вал VRP (F)445

Цельный выходной вал VRP (F)445

Длина переходного фланца Z5*
| Электродвигатель |
63 |
71 |
80 |
90 |
100 |
112 |
132 |
160 |
180 |
200 |
225 |
250 |
280 |
315 |
VRP445 |
|
|
|
|
|
|
80/117 |
121.5/155 |
121.5/155 |
123.5/160 |
153.5/190 |
153.5/190 |
153.5/190 |
|
|
| |