
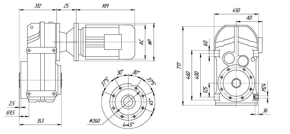
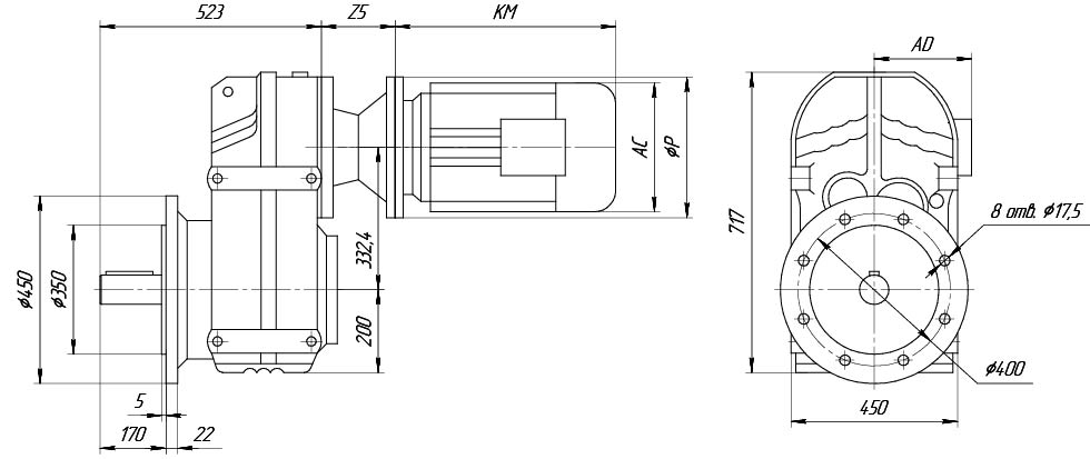
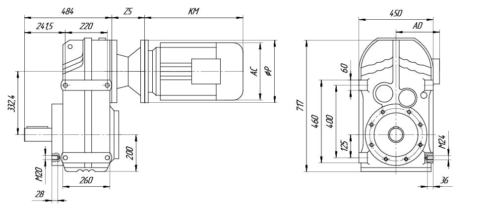
Габаритные и присоединительные размеры мотор-редукторы VRP440 |
| |
VRP440
Цельный выходной вал VRP440


Полый выходной вал VRP440

Полый выходной вал VRP (F)440

Цельный выходной вал VRP (F)440


Длина переходного фланца Z5*
| Электродвигатель |
63 |
71 |
80 |
90 |
100 |
112 |
132 |
160 |
180 |
200 |
225 |
250 |
280 |
315 |
VRP405 |
61.5 |
61.5/68 |
80/78 .5 |
80 |
98/90 |
|
|
|
|
|
|
|
|
|
VRP410 |
61 .5/70 |
61.5/68 |
80/78 .5 |
80/78.5 |
98/90 |
|
|
|
|
|
|
|
|
|
VRP415 |
56/56 |
56/57 |
74.5/72 |
74.5/72 |
90.5/74 |
90.5/74 |
82 |
|
|
|
|
|
|
|
VRP420 |
56/70 |
56/84 |
74.5/85 |
74.5/85 |
90.5/91 |
90.5/91 |
123/112 |
|
|
|
|
|
|
|
VRP425 |
50/84 |
50/95 |
68.5/95 |
68.5/95 |
82.5/95 |
82.5/95 |
111/117 |
152.5/155 |
|
|
|
|
|
|
VRP430 |
|
|
63.5/95 |
63.5/95 |
78.5/95 |
78.5/117 |
106/117 |
147.5/1551 |
47.5/155 |
|
|
|
|
|
VRP435 |
|
|
|
57 .5/95 |
72.5/95 |
72.5/95 |
101/117 |
142.5/155 |
142.5/155 |
144.5/160 |
|
|
|
|
VRP440 |
|
|
|
|
66.5/95 |
66.5/95 |
95/117 |
136.5/155 |
136.5/155 |
138.5/160 |
168.5/190 |
|
|
|
VRP445 |
|
|
|
|
|
|
80/117 |
121.5/155 |
121.5/155 |
123.5/160 |
153.5/190 |
153.5/190 |
153.5/190 |
|
VRP450 |
|
|
|
|
|
|
|
113.5/155 |
113.5/155 |
115.5/160 |
145.5/190 |
145.5/190 |
145.5/190 |
184/190 |
|
| |