
Габаритные и присоединительные размеры мотор-редукторы VRP435 |
| |
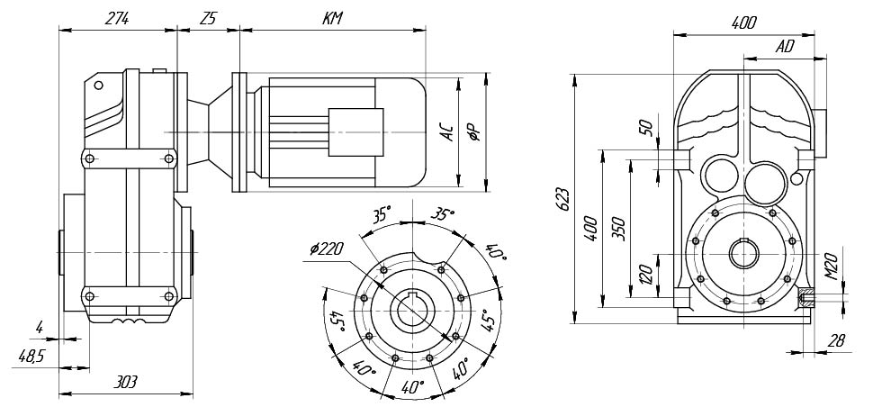
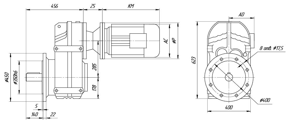
VRP435
Цельный выходной вал VRP435


Полый выходной вал VRP435

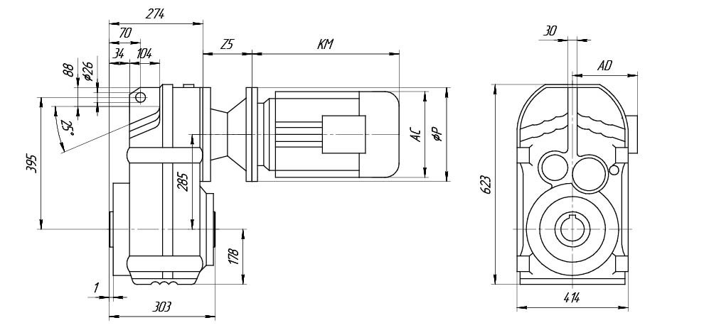
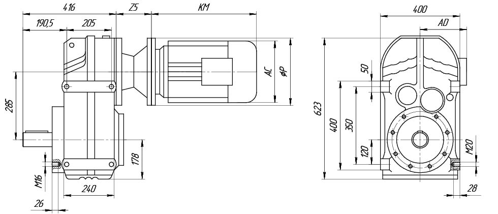
Полый выходной вал VRP (F)435

Цельный выходной вал VRP (F)435


Длина переходного фланца Z5*
| Электродвигатель |
63 |
71 |
80 |
90 |
100 |
112 |
132 |
160 |
180 |
200 |
225 |
250 |
280 |
315 |
VRP435 |
|
|
|
57 .5/95 |
72.5/95 |
72.5/95 |
101/117 |
142.5/155 |
142.5/155 |
144.5/160 |
|
|
|
|
|
| |