
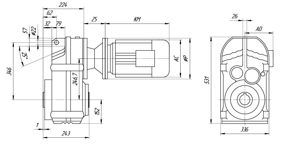
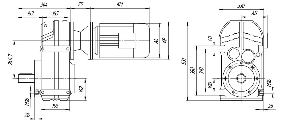
Габаритные и присоединительные размеры мотор-редукторы VRP430 |
| |
VRP430
Цельный выходной вал VRP430


Полый выходной вал VRP430

Полый выходной вал VRP (F)430

Цельный выходной вал VRP (F)430


Длина переходного фланца Z5*
| Электродвигатель |
63 |
71 |
80 |
90 |
100 |
112 |
132 |
160 |
180 |
200 |
225 |
250 |
280 |
315 |
VRP430 |
|
|
63.5/95 |
63.5/95 |
78.5/95 |
78.5/117 |
106/117 |
147.5/1551 |
47.5/155 |
|
|
|
|
|
|
| |