
Габаритные и присоединительные размеры мотор-редукторы VRP425 |
| |
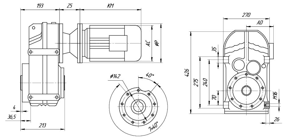
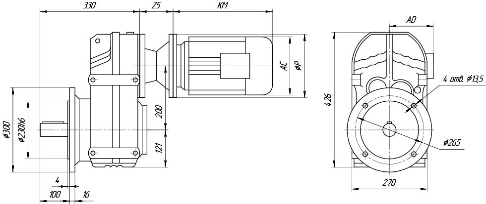
VRP425
Цельный выходной вал VRP425


Полый выходной вал VRP425

Полый выходной вал VRP (F)425

Цельный выходной вал VRP (F)425


Длина переходного фланца Z5*
| Электродвигатель |
63 |
71 |
80 |
90 |
100 |
112 |
132 |
160 |
180 |
200 |
225 |
250 |
280 |
315 |
VRP425 |
50/84 |
50/95 |
68.5/95 |
68.5/95 |
82.5/95 |
82.5/95 |
111/117 |
152.5/155 |
|
|
|
|
|
|
|
| |