
Габаритные и присоединительные размеры мотор-редукторы VRP420 |
| |
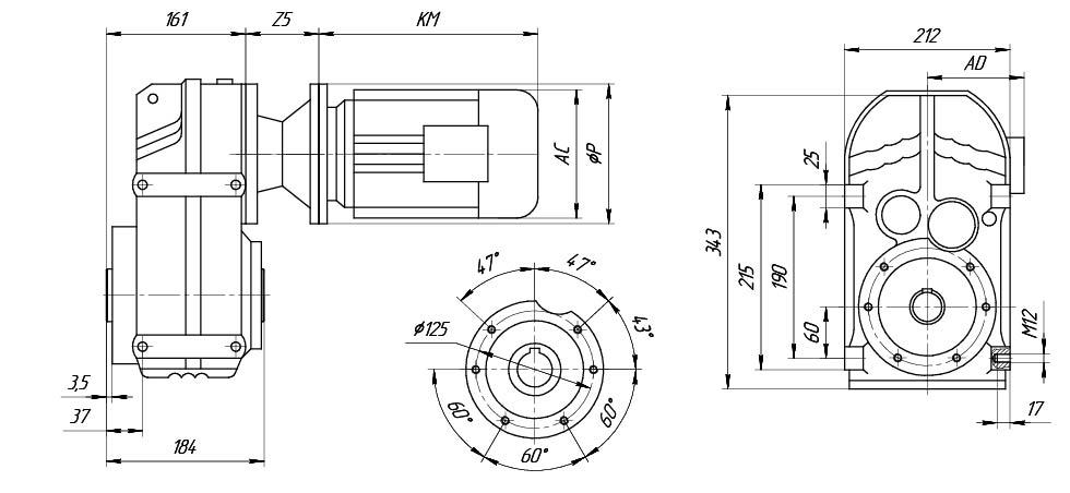
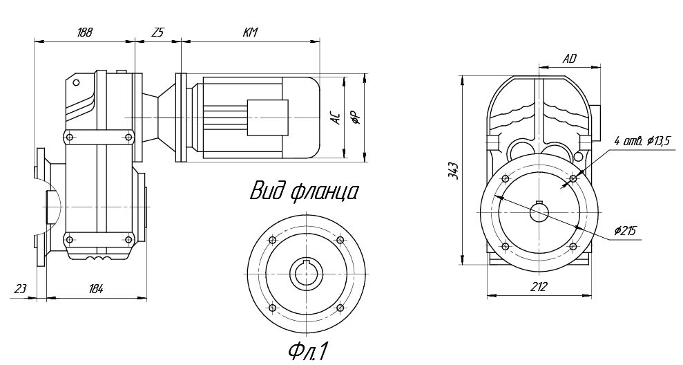
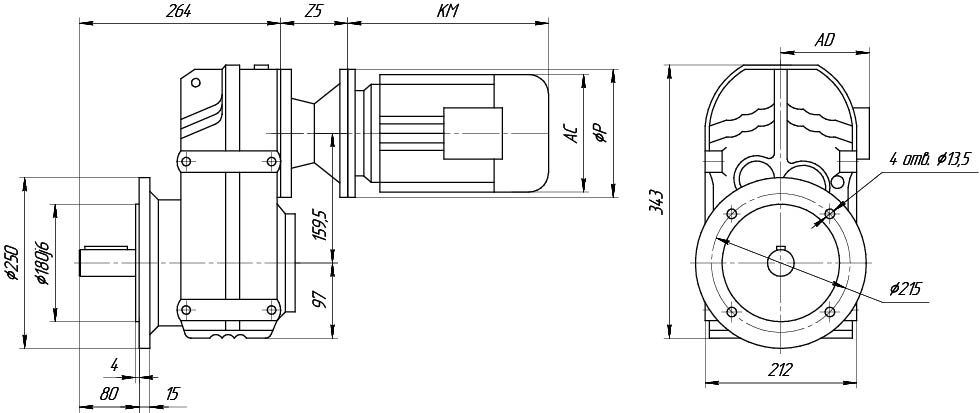
VRP420
Цельный выходной вал VRP420


Полый выходной вал VRP420

Полый выходной вал VRP (F)420

Цельный выходной вал VRP (F)420


Длина переходного фланца Z5*
| Электродвигатель |
63 |
71 |
80 |
90 |
100 |
112 |
132 |
160 |
180 |
200 |
225 |
250 |
280 |
315 |
VRP420 |
56/70 |
56/84 |
74.5/85 |
74.5/85 |
90.5/91 |
90.5/91 |
123/112 |
|
|
|
|
|
|
|
|
| |