
Габаритные и присоединительные размеры мотор-редукторы VRP410 |
| |
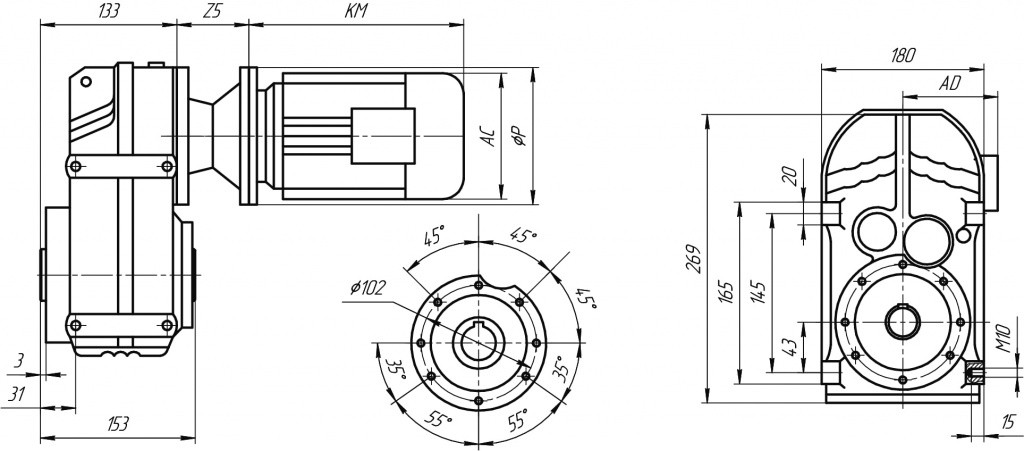
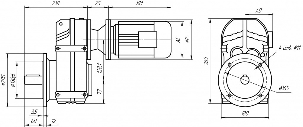
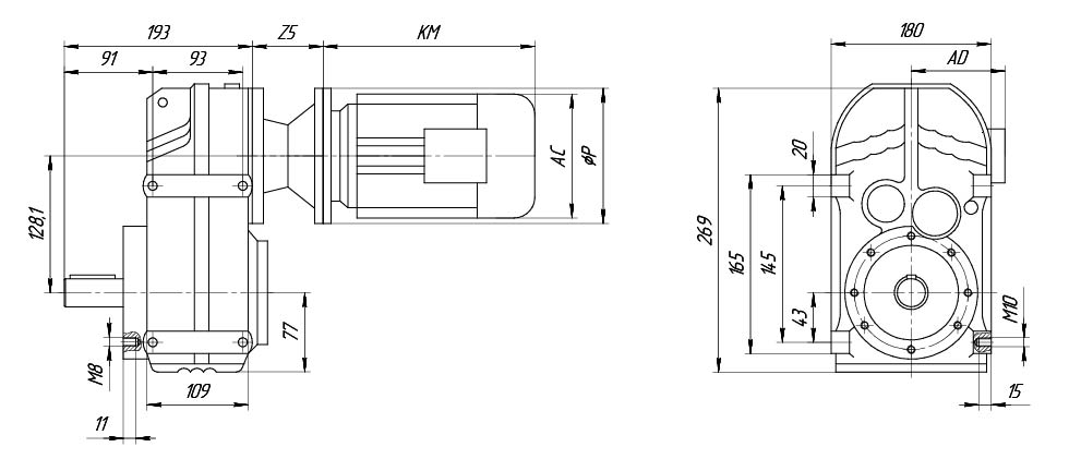
VRP410
Цельный выходной вал VRP410


Полый выходной вал VRP410

Полый выходной вал VRP (F)410

Цельный выходной вал VRP (F)410


Длина переходного фланца Z5*
| Электродвигатель |
63 |
71 |
80 |
90 |
100 |
112 |
132 |
160 |
180 |
200 |
225 |
250 |
280 |
315 |
VRP410 |
61 .5/70 |
61.5/68 |
80/78 .5 |
80/78.5 |
98/90 |
|
|
|
|
|
|
|
|
|
|
| |