
Габаритные и присоединительные размеры мотор-редукторы VRP405 |
| |
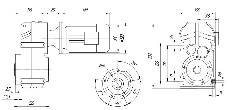
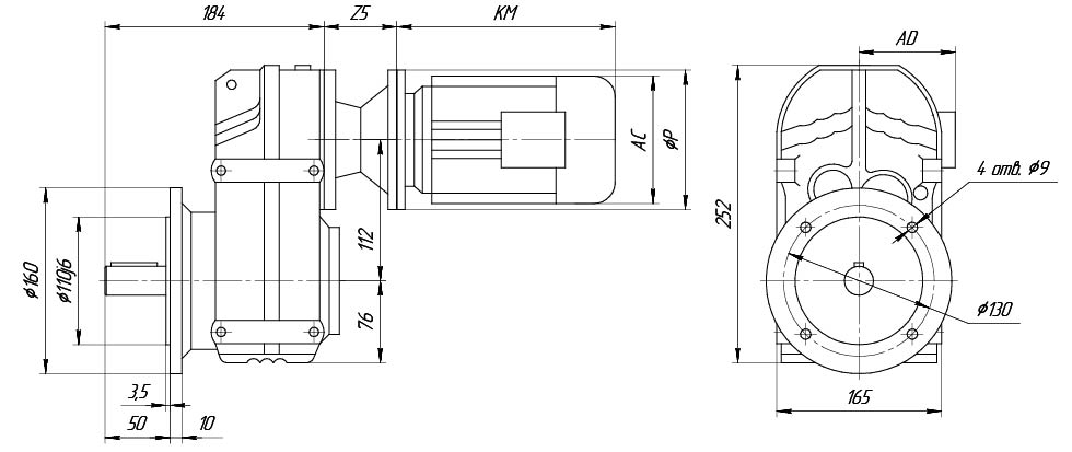
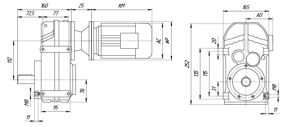
VRP405
Цельный выходной вал VRP405


Полый выходной вал VRP405

Полый выходной вал VRP (F)405

Цельный выходной вал VRP (F)440


Длина переходного фланца Z5*
| Электродвигатель |
63 |
71 |
80 |
90 |
100 |
112 |
132 |
160 |
180 |
200 |
225 |
250 |
280 |
315 |
VRP405 |
61.5 |
61.5/68 |
80/78 .5 |
80 |
98/90 |
|
|
|
|
|
|
|
|
|
|
| |