
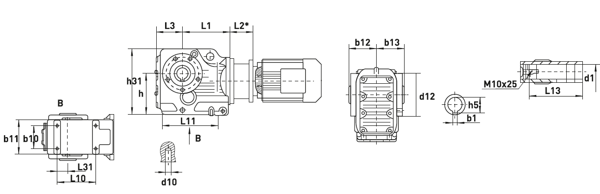
Габаритные и присоединительные размеры мотор-редукторы VRC220 |
| |
VRC220
| Тип |
b1 |
b10 |
b11 |
b12 |
b13 |
d1 |
d10 |
d12 |
h |
h5 |
h31 |
L1 |
L3 |
L10 |
L11 |
L13 |
L31 |
| VRC220 |
12 |
88 |
142 |
90 |
90 |
40 |
M12 |
155 |
140 |
42 |
228 |
180 |
114 |
152 |
192 |
156 |
42 |
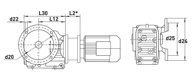
Количество и размеры крепежных отверстий выходного фланца в зависимости от типоразмера редуктора
 |
| VRC220 |
VRC (F) 220

| Тип |
d20 |
d22 |
d24 |
d25 |
L12 |
L30 |
| VRC(F) 220 |
125 |
13.5 |
250 |
180 |
179 |
274 |
Длина переходного фланца L*
| Двигатель |
63 |
71 |
80 |
90 |
100 |
112 |
132 |
160 |
180 |
200 |
225 |
250 |
280 |
315 |
| Редуктор |
| VRC220 |
56/70 |
56/84 |
74/85 |
74/85 |
90/91 |
90.5/91 |
123/112 |
- |
- |
- |
- |
- |
- |
- |
|
| |