
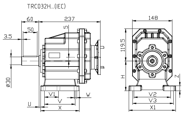
Габаритные и присоединительные размеры TRC032, TRC032H, TRC032F, TRC032U |
| |
TRC032H

Установочные лапы |
ТИП |
H |
U |
V |
V1 |
V2 |
V3 |
W |
X |
Х1 |
Z |
воз |
110 |
18 |
130 |
70 |
--- |
160 |
11 |
156 |
190 |
20 |
моз |
110 |
30 |
100 |
--- |
135 |
150 |
11 |
150 |
190 |
18 |
МО4 |
110 |
32 |
110 |
--- |
170 |
185 |
14 |
150 |
230 |
20 |
ВО4 |
105 |
20,5 |
130 |
--- |
170 |
--- |
14 |
168 |
205 |
20 |
Масса редуктора - 11 кг |
TRC032F

Выходной фланец |
ТИП |
F |
K |
K1 |
А |
B |
C |
F160 |
160 |
110 |
130 |
3,5 |
10 |
9 |
F200 |
200 |
130 |
165 |
3,5 |
11 |
11 |
F250 |
250 |
180 |
215 |
4 |
13 |
13,5 |
Масса редуктора - 11,3 кг |
TRC032U


Входной фланец |
PAM |
N |
M |
P |
D |
mb |
tm |
71В5 |
110 |
130 |
160 |
14 |
5 |
16,3 |
71В14 |
70 |
85 |
105 |
80В5 |
130 |
165 |
200 |
19 |
6 |
21,8 |
80В14 |
80 |
100 |
120 |
90В5 |
130 |
165 |
200 |
24 |
8 |
27,3 |
90В14 |
95 |
115 |
140 |
100/112В5 |
180 |
215 |
250 |
28 |
8 |
31,3 |
100/112В14 |
110 |
130 |
160 |
|
| |