
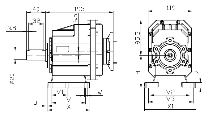
Габаритные и присоединительные размеры TRC012, TRC012H, TRC012F, TRC012U |
| |
TRC012H

Установочные лапы |
ТИП |
H |
U |
V |
V1 |
V2 |
V3 |
W |
X |
Х1 |
Z |
ВО1 |
85 |
18 |
87 |
50 |
110 |
--- |
9 |
118 |
130 |
15 |
МО1 |
75 |
18 |
80 |
--- |
110 |
120 |
9 |
118 |
145 |
15 |
МО2 |
75 |
25 |
85 |
--- |
110 |
120 |
9 |
112 |
145 |
15 |
ВО2 |
95 |
18 |
107,5 |
60 |
--- |
130 |
11 |
136 |
155 |
17 |
Масса редуктора - 5,3 кг |
TRC012F

Выходной фланец |
ТИП |
F |
K |
K1 |
А |
B |
C |
F120 |
120 |
80 |
100 |
3 |
8 |
7 |
F140 |
140 |
95 |
115 |
3 |
9 |
9 |
F160 |
160 |
110 |
130 |
3,5 |
10 |
9 |
Масса редуктора - 5,3 кг |
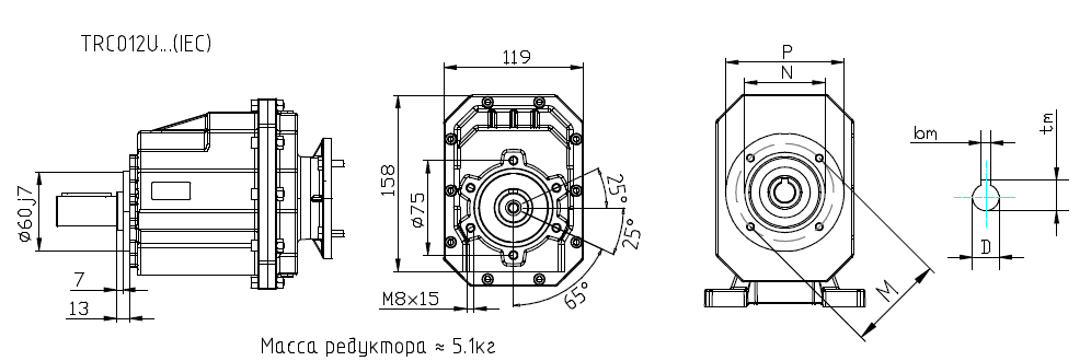
TRC012U


Входной фланец |
PAM |
N |
M |
P |
D |
mb |
tm |
63В5 |
95 |
115 |
140 |
11 |
4 |
12,8 |
71В5 |
110 |
130 |
160 |
14 |
5 |
16,3 |
71В14 |
70 |
85 |
105 |
80В5 |
130 |
165 |
200 |
19 |
6 |
21,8 |
80В14 |
80 |
100 |
120 |
90В5 |
130 |
165 |
200 |
24 |
8 |
27,3 |
90В14 |
95 |
115 |
140 |
|
| |