
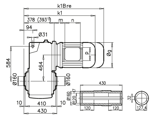
Габаритно-присоединительные размеры SK 9382 |
| |
|
SK 9382A

SK 9382V

SK 9382AF

SK 9382VF

a1 |
b1 |
c1 |
e1 |
f1 |
s1 |
660 |
550 |
32 |
600 |
6 |
8x22 |
SK 9282EA, SK 9282AB

| |
132 S/M |
160 M/L |
180 MX/LX |
200 L |
225 S/M |
250 M 1) |
280 S 1) |
g |
266 |
320 |
358 |
398 |
398 |
495 |
555 |
g1 / g1Bre |
204 / 201 |
242 / 242 |
259 / 259 |
306 / 306 |
306 / 306 |
392 / 392 |
432 / 432 |
k1 / k1Bre |
813 / 920 |
870 / 1049 |
980 / 1085 |
1066 / 1233 |
1066 / 1233 |
1153 / 1403 |
1223 / 1403 |
k / kBre |
1063 / 1170 |
1120 / 1299 |
1230 / 1335 |
1316 / 1483 |
1316 / 1483 |
1403 / 1653 |
1473 / 1653 |
m / mBre |
71 / 64 |
52 / 52 |
93 / 78 |
110 / 110 |
110 / 110 |
129 / 129 |
144 / 144 |
n / nBre |
122 / 185 |
186 / 186 |
132 / 162 |
192 / 192 |
192 / 192 |
236 / 236 |
236 / 236 |
p / pBre |
122 / 139 |
186 / 186 |
152 / 162 |
260 / 260 |
260 / 260 |
300 / 300 |
300 / 300 |
|
| |