
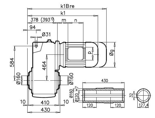
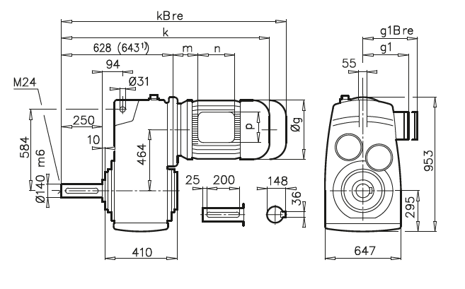
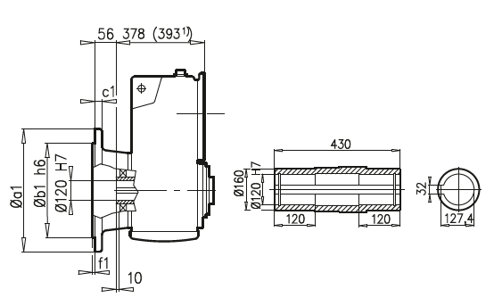
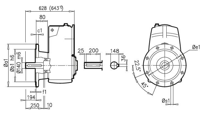
Габаритно-присоединительные размеры SK 9282 |
| |
|
SK 9282A

SK 9282V

SK 9282AF

SK 9282VF

a1 |
b1 |
c1 |
e1 |
f1 |
s1 |
660 |
550 |
32 |
600 |
6 |
8x22 |
SK 9282EA, SK 9282AB

| |
200 L |
225 S/M |
250 M 1) |
280 S 1) |
280 M 1) |
315 S 1) |
315 M 1) |
g |
398 |
398 |
495 |
555 |
555 |
610 |
610 |
g1 / g1Bre |
306 / 306 |
306 / 306 |
392 / 392 |
432 / 432 |
432 / 432 |
500 / - |
500 / - |
k1 / k1Bre |
1065 / 1232 |
1065 / 1232 |
1153 / 1403 |
1223 / 1403 |
1213 / 1503 |
1325 / - |
1485 / - |
k / kBre |
1316 / 1483 |
1316 / 1483 |
1433 / 1653 |
1473 / 1653 |
1463 / 1753 |
1575 / - |
1735 / - |
m / mBre |
110 / 110 |
110 / 110 |
129 / 129 |
144 / 144 |
144 / 144 |
132 / - |
132 / - |
n / nBre |
192 / 192 |
192 / 192 |
236 / 236 |
236 / 236 |
236 / 236 |
307 / - |
307 / - |
p / pBre |
260 / 260 |
260 / 260 |
300 / 300 |
300 / 300 |
300 / 300 |
380 / - |
380 / - |
|
| |