
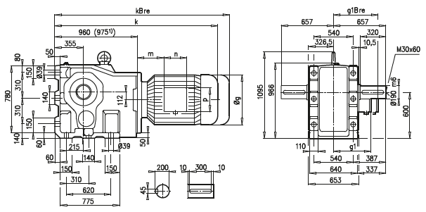
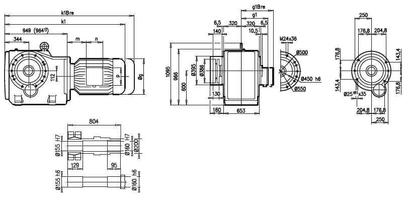
Габаритные и присоединительные размеры NORD мотор-редукторы SK 9096.1, SK 9096.1AFS, SK 9096.1VF, SK 9096.1AFSH, SK 9096.1AZSH, SK 9096.1AZ, SK 9096.1 AZSHK |
| |
| SK 9096.1 |
 |
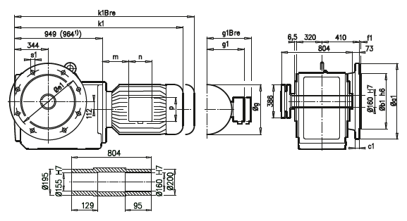
| SK 9096.1AFS |
SK 9096.1VF |
 |
 |
a1 |
b1 |
c1 |
e1 |
f1 |
s1 |
660 |
550 |
35 |
600 |
8 |
8x26 |
| SK 9096.1AFSH |
 |
A45 |
160 M/L |
180 MX/LX |
200 L |
225 S/M |
250 M1) |
280 S1) |
280 M 1) |
315 S1) |
315 M 1) |
g |
320 |
358 |
398 |
398 |
495 |
555 |
555 |
610 |
610 |
g1 / g1Bre |
242 / 242 |
259 / 259 |
306 / 306 |
306 / 306 |
392 / 392 |
432 / 432 |
432 / 432 |
500 / – |
500 / – |
k1 / k1Bre |
1441 / 1620 |
1551 / 1656 |
1636 / 1803 |
1636 / 1803 |
1723 / 1973 |
1793 / 1973 |
1783 / 2073 |
1895 / – |
2055 / – |
k / kBre |
1452 / 1631 |
1562 / 1667 |
1647 / 1814 |
1647 / 1814 |
1734 / 1984 |
1804 / 1984 |
1794 / 2084 |
1906 / – |
2066 / – |
m / mBre |
52 / 52 |
93 / 78 |
110 / 110 |
110 / 110 |
129 / 129 |
144 / 144 |
144 / 144 |
132 / – |
132 / – |
n / nBre |
186 / 186 |
132 / 162 |
192 / 192 |
192 / 192 |
236 / 236 |
236 / 236 |
236 / 236 |
307 / – |
307 / – |
p / pBre |
186 / 186 |
152 / 162 |
260 / 260 |
260 / 260 |
300 / 300 |
300 / 300 |
300 / 300 |
380 / – |
380 / – |
| SK 9096.1AZSH |
 |
| SK 9096.1AZ |
SK 9096.1 AZSHK |
 |
 |
A45 |
160 M/L |
180 MX/LX |
200 L |
225 S/M |
250 M 1) |
280 S1) |
280 M 1) |
315 S 1) |
315 M 1) |
g |
320 |
358 |
398 |
398 |
495 |
555 |
555 |
610 |
610 |
g1 / g1Bre |
242 / 242 |
259 / 259 |
306 / 306 |
306 / 306 |
392 / 392 |
432 / 432 |
432 / 432 |
500 / – |
500 / – |
k1 / k1Bre |
1441 / 1620 |
1551 / 1656 |
1636 / 1803 |
1636 / 1803 |
1723 / 1973 |
1793 / 1973 |
1783 / 2073 |
1895 / – |
2055 / – |
m / mBre |
52 / 52 |
93 / 78 |
110 / 110 |
110 / 110 |
129 / 129 |
144 / 144 |
144 / 144 |
132 / – |
132 / – |
n / nBre |
186 / 186 |
132 / 162 |
192 / 192 |
192 / 192 |
236 / 236 |
236 / 236 |
236 / 236 |
307 / – |
307 / – |
p / pBre |
186 / 186 |
152 / 162 |
260 / 260 |
260 / 260 |
300 / 300 |
300 / 300 |
300 / 300 |
380 / – |
380 / – |
|
| |