
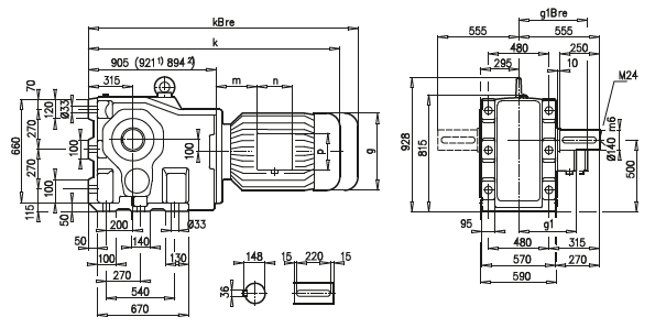
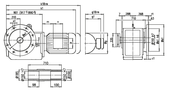
Габаритные и присоединительные размеры NORD мотор-редукторы SK 9092.1, SK 9092.1AFS, SK 9092.1VF, SK 9092.1AFSH, SK 9092.1AZSH, SK 9092.1AZ, SK 9092.1AZEA, SK 9092.1 AZSHK |
| |
| SK 9092.1 |
 |
| SK 9092.1AFS |
SK 9092.1VF |
 |
 |
a1 |
b1 |
c1 |
e1 |
f1 |
s1 |
660 |
550 |
32 |
600 |
6 |
8x22 |
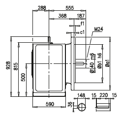
| SK 9092.1AFSH |
 |
A45 |
160 M/L |
180 MX/LX |
200 L |
225 S/M |
250 M1) |
280 S2) |
280 M2) |
315 S2) |
315 M2) |
g |
320 |
358 |
398 |
398 |
495 |
555 |
555 |
610 |
610 |
g1 / g1Bre |
242 / 242 |
259 / 259 |
306 / 306 |
306 / 306 |
392 / 392 |
432 / 432 |
432 / 432 |
500 / – |
500 / – |
k1 / k1Bre |
1393 / 1572 |
1503 / 1608 |
1588 / 1755 |
1588 / 1755 |
1677 / 1927 |
1747 / 1927 |
1710 / 2000 |
1822 / – |
1982 / – |
k / kBre |
1397 / 1576 |
1507 / 1612 |
1592 / 1759 |
1592 / 1759 |
1681 / 1931 |
1751 / 1931 |
1714 / 2004 |
1826 / – |
1986 / – |
m / mBre |
52 / 52 |
93 / 78 |
110 / 110 |
110 / 110 |
129 / 129 |
144 / 144 |
144 / 144 |
132 / – |
132 / – |
n / nBre |
186 / 186 |
132 / 162 |
192 / 192 |
192 / 192 |
236 / 236 |
236 / 236 |
236 / 236 |
307 / – |
307 / – |
p / pBre |
186 / 186 |
152 / 162 |
260 / 260 |
260 / 260 |
300 / 300 |
300 / 300 |
300 / 300 |
380 / – |
380 / – |
|
| |