
Габаритные и присоединительные размеры NORD мотор-редукторы SK 9043.1, SK 9043.1AX, SK 9043.1AF, SK 9043.1VF, SK 9043.1AFB(AXB), SK 9043.1AZ, SK 9043.1AZEA, SK 9043.1AZB, SK 9043.1AZSH, SK 9043.1 AZD, SK 9043.1 AZK |
| |
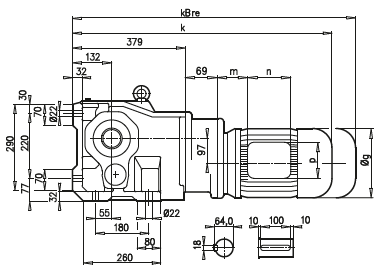
| SK 9043.1 |
SK 9043.1AX |
 |
 |
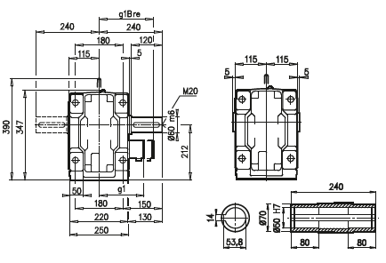
| SK 9043.1AF |
SK 9043.1VF |
 |
 |
a1 |
b1 |
c1 |
e1 |
f1 |
s1 |
350 |
250 |
20 |
300 |
5 |
4 x 18 |
A45 |
71 S/L |
80 S/L |
90 S/L |
100 L |
g |
145 |
165 |
183 |
201 |
g1 / g1Bre |
124 / 133 |
142 / 142 |
147 / 147 |
169 / 172 |
k1 / k1Bre |
700 / 758 |
725 / 789 |
766 / 841 |
796 / 887 |
k / kBre |
678 / 736 |
703 / 767 |
724 / 799 |
754 / 845 |
m / mBre |
36 / 43 |
41 / 45 |
46 / 50 |
52 / 56 |
n / nBre |
100 / 134 |
114 / 153 |
114 / 153 |
114 / 153 |
p / pBre |
100 / 89 |
114 /108 |
114 / 108 |
114 / 108 |
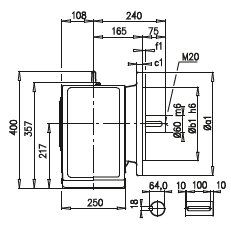
| SK 9043.1AZ |
 |
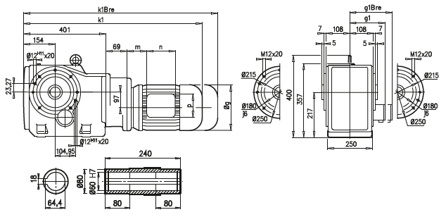
| SK 9043.1 AZD |
SK 9043.1 AZK |
 |
 |
A45 |
71 S/L |
80 S/L |
90 S/L |
100 L |
g |
145 |
165 |
183 |
201 |
g1 / g1Bre |
124 / 133 |
142 / 142 |
147 / 147 |
169 / 172 |
k1 / k1Bre |
700 / 758 |
725 / 789 |
766 / 841 |
796 / 887 |
m / mBre |
36 / 43 |
41 / 45 |
46 / 50 |
52 / 56 |
n / nBre |
100 / 134 |
114 / 153 |
114 / 153 |
114 / 153 |
p / pBre |
100 / 879 |
114 /108 |
114 / 108 |
114 / 108 |
|
| |