
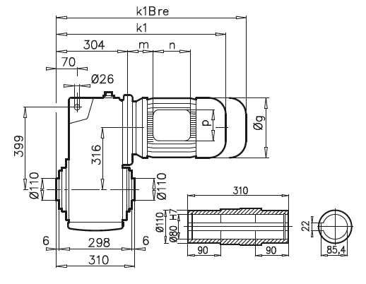
Габаритно-присоединительные размеры SK 7382 |
| |
|
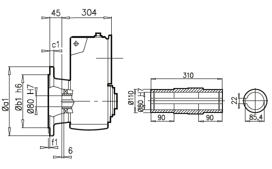
SK SK 7382A

SK 7382V

SK 7382AF

SK 7382VF

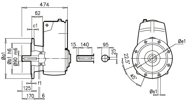
a1 |
b1 |
c1 |
e1 |
f1 |
s1 |
450 |
350 |
22 |
400 |
5 |
8x18 |
550 |
450 |
28 |
500 |
5 |
8x18 |
SK 7382EA, SK 7382AB

| |
100 L |
112 M |
132 S/M |
160 M/L |
180 MX/LX |
200 L |
225 S/M |
g |
201 |
228 |
266 |
320 |
358 |
398 |
398 |
g1 / g1Bre |
169 / 172 |
179 / 182 |
204 / 201 |
242 / 242 |
259 / 259 |
306 / 306 |
306 / 306 |
k1 / k1Bre |
610 / 701 |
630 / 723 |
739 / 846 |
796 / 975 |
906 / 1011 |
992 / 1159 |
992 / 1159 |
k / kBre |
780 / 871 |
800 / 893 |
909 / 1016 |
966 / 1145 |
1076 / 1181 |
1162 / 1329 |
1162 / 1329 |
m / mBre |
32 / 36 |
45 / 49 |
71 / 64 |
52 / 52 |
93 / 78 |
110 / 110 |
110 / 110 |
n / nBre |
114 / 153 |
114 / 153 |
122 / 185 |
186 / 186 |
132 / 162 |
192 / 192 |
192 / 192 |
p / pBre |
114 / 108 |
114 / 108 |
122 / 139 |
186 / 186 |
152 / 162 |
260 / 260 |
260 / 260 |
|
| |