
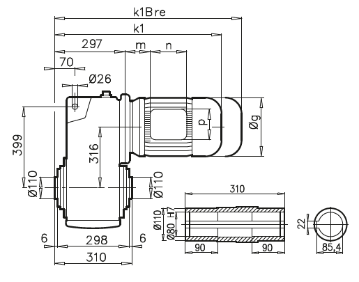
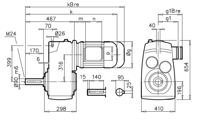
Габаритно-присоединительные размеры SK 7282 |
| |
|
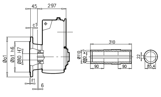
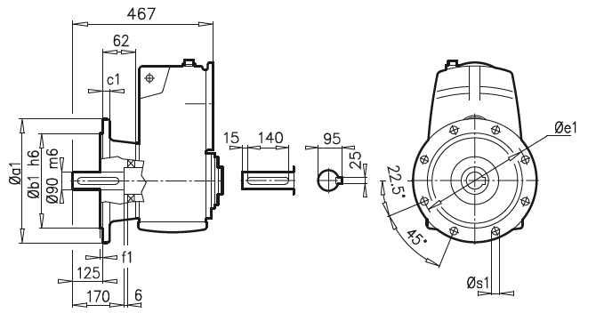
SK SK 7282A

SK 7282V

SK 7282AF

SK 7282VF

a1 |
b1 |
c1 |
e1 |
f1 |
s1 |
450 |
350 |
22 |
400 |
5 |
8x18 |
550 |
450 |
28 |
500 |
5 |
8x18 |
SK 7282EA, SK 7282AB

| |
132 S/M |
160 M/L |
180 MX/LX |
200 L |
225 S/M |
g |
266 |
320 |
358 |
398 |
398 |
g1 / g1Bre |
204 / 201 |
242 / 242 |
259 / 259 |
306 / 306 |
306 / 306 |
k1 / k1Bre |
732 / 839 |
789 / 968 |
899 / 1004 |
985 / 1152 |
985 / 1152 |
k / kBre |
902 / 1009 |
959 / 1138 |
1069 / 1174 |
1155 / 1322 |
1155 / 1322 |
m / mBre |
71 / 64 |
52 / 52 |
93 / 78 |
110 / 110 |
110 / 110 |
n / nBre |
122 / 185 |
186 / 186 |
132 / 162 |
192 / 192 |
192 / 192 |
p / pBre |
122 / 139 |
186 / 186 |
152 / 162 |
260 / 260 |
260 / 260 |
|
| |