
Габаритно-присоединительные размеры SK 6382 |
| |
|
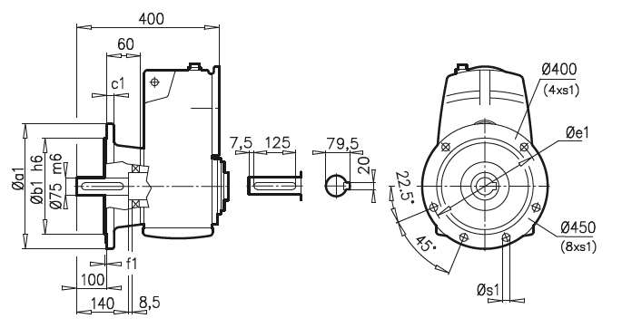
SK SK 6382A

SK 6382V

SK 6382AF

SK 6382VF

1 |
b1 |
c1 |
e1 |
f1 |
s1 |
400 |
300 |
20 |
350 |
5 |
4x17,5 |
450 |
350 |
16 |
400 |
5 |
8x17,5 |
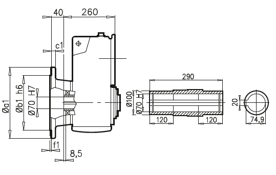
SK 6382EA, SK 6382AB

| |
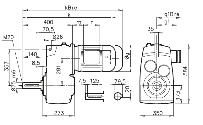
90 S/L |
100 L |
112 M |
132 S/M |
160 M/L |
180 MX/LX |
g |
183 |
201 |
228 |
266 |
320 |
358 |
g1 / g1Bre |
147 / 147 |
169 / 172 |
179 / 182 |
204 / 201 |
242 / 242 |
259 / 259 |
k1 / k1Bre |
536 / 611 |
566 / 657 |
589 / 682 |
675 / 782 |
752 / 931 |
882 / 987 |
k / kBre |
676 / 751 |
706 / 797 |
729 / 822 |
815 / 922 |
892 / 1071 |
1022 / 1127 |
m / mBre |
26 / 30 |
32 / 36 |
48 / 52 |
51 / 44 |
52 / 52 |
93 / 78 |
n / nBre |
114 / 153 |
114 / 153 |
114 / 153 |
122 / 185 |
186 / 186 |
132 / 162 |
p / pBre |
114 / 108 |
114 / 108 |
114 / 108 |
122 / 139 |
186 / 186 |
152 / 162 |
|
| |