
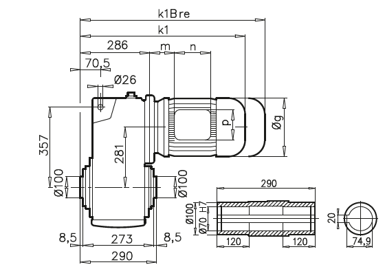
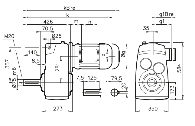
Габаритно-присоединительные размеры SK 6282 |
| |
|
SK SK 6282A

SK 6282V

SK 6282AF

SK 6282VF

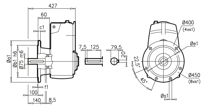
1 |
b1 |
c1 |
e1 |
f1 |
s1 |
400 |
300 |
20 |
350 |
5 |
4x17,5 |
450 |
350 |
16 |
400 |
5 |
8x17,5 |
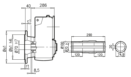
SK 6282EA, SK 6282AB

| |
100 L |
112 M |
132 S/M |
160 M/L |
180 MX/LX |
200 L |
225 S/M |
g |
201 |
228 |
266 |
320 |
358 |
398 |
398 |
g1 / g1Bre |
169 / 172 |
179 / 182 |
204 / 201 |
242 / 242 |
259 / 259 |
306 / 306 |
306 / 306 |
k1 / k1Bre |
592 / 683 |
612 / 705 |
721 / 828 |
778 / 957 |
888 / 993 |
974 / 1141 |
974 / 1141 |
k / kBre |
732 / 823 |
752 / 845 |
861 / 968 |
918 / 1097 |
1028 / 1133 |
1114 / 1281 |
1114 / 1281 |
m / Bre |
32 / 36 |
45 / 49 |
71 / 64 |
52 / 52 |
93 / 78 |
110 / 110 |
110 / 110 |
n / Nbre |
114 / 153 |
114 / 153 |
122 / 185 |
186 / 186 |
132 / 162 |
192 / 192 |
192 / 192 |
p / pBre |
114 / 108 |
114 / 108 |
122 / 139 |
186 / 186 |
152 / 162 |
260 / 260 |
260 / 260 |
|
| |