
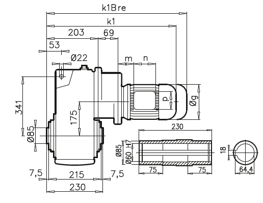
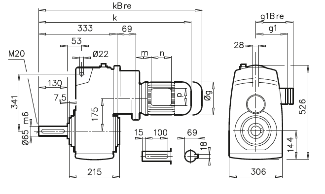
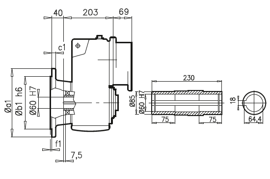
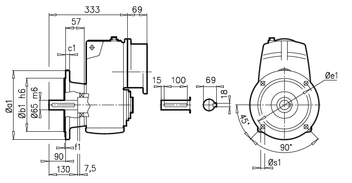
Габаритно-присоединительные размеры SK 5382 |
| |
|
SK SK 5382A

SK 5382V

SK 5382AF

SK 5382VF

a1 |
b1 |
c1 |
e1 |
f1 |
s1 |
350 |
250 |
20 |
300 |
5 |
4x18 |
SK 5382EA, SK 5382AB

| |
80 S/L |
90 S/L |
100 L |
112 M |
g |
165 |
183 |
201 |
228 |
g1 / g1Bre |
142 / 142 |
147 / 147 |
169 / 172 |
179 / 182 |
k1 / k1Bre |
527 / 591 |
568 / 643 |
598 / 689 |
621 / 714 |
k / kBre |
657 / 721 |
698 / 773 |
728 / 819 |
751 / 844 |
m / mBre |
47 / 45 |
46 / 50 |
52 / 56 |
68 / 72 |
n / nBre |
114 / 153 |
114 / 153 |
114 / 153 |
114 / 153 |
p / pBre |
114 / 108 |
114 / 108 |
114 / 108 |
114 / 108 |
|
| |