
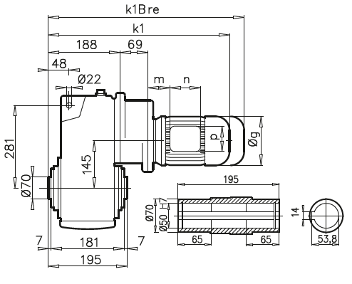
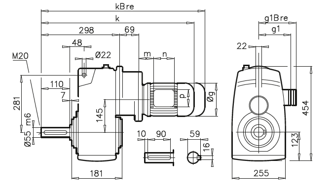
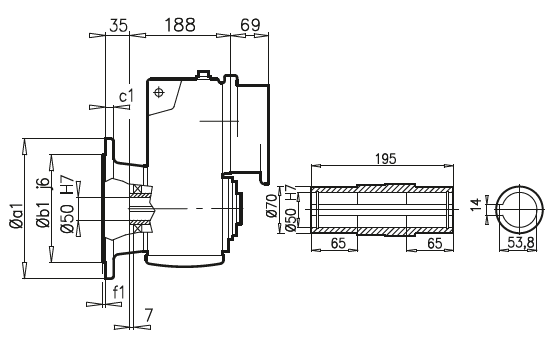
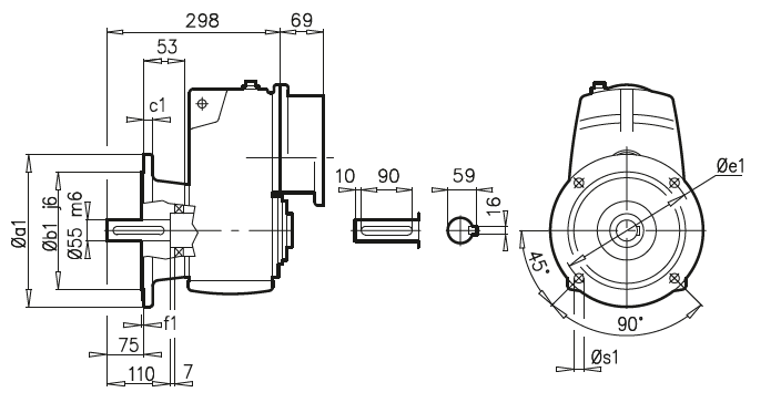
Габаритно-присоединительные размеры SK 4382 |
| |
|
SK SK 4382A

SK 4382V

SK 4382AF

SK 4382VF

a1 |
b1 |
c1 |
e1 |
f1 |
s1 |
250 |
180 |
14,5 |
215 |
4 |
4x14 |
300 |
230 |
20 |
265 |
4 |
4x14 |
SK 4382EA, SK 4382AB

|
71 S/L |
80 S/L |
90 S/L |
100 L |
112 M |
g |
145 |
165 |
183 |
201 |
228 |
g1 / g1Bre |
124 / 133 |
142 / 142 |
147 / 147 |
169 / 172 |
179 / 182 |
k1 / k1Bre |
488 / 546 |
513 / 577 |
554 / 629 |
584 / 675 |
607 / 700 |
k / kBre |
598 / 656 |
623 / 687 |
664 / 739 |
694 / 785 |
717 / 810 |
m / mBre |
36 / 43 |
41 / 45 |
46 / 50 |
52 / 56 |
68 / 72 |
n / nBre |
100 / 134 |
114 / 153 |
114 / 153 |
114 / 153 |
114 / 153 |
p / pBre |
100 / 89 |
114 / 108 |
114 / 108 |
114 / 108 |
114 / 108 |
|
| |