
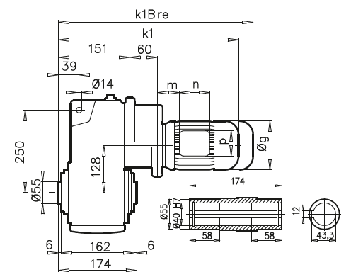
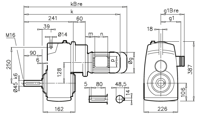
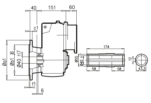
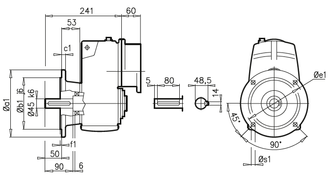
Габаритно-присоединительные размеры SK 3382 |
| |
|
SK SK 3382A

SK 3382V

SK 3382AF

SK 3382VF

a1 |
b1 |
c1 |
e1 |
f1 |
s1 |
250 |
180 |
15 |
215 |
4 |
4x13,5 |
300 |
230 |
20 |
265 |
4 |
4x14 |
SK 3382EA, SK 3382AB

A45 |
63 S/L |
71 S/L |
80 S/L |
g |
130 |
145 |
165 |
g1 / g1Bre |
115 / 123 |
124 / 133 |
142 / 142 |
k1 / k1Bre |
407 / 463 |
447 / 505 |
472 / 536 |
k / kBre |
497 / 553 |
537 / 595 |
562 / 626 |
m / mBre |
16 / 23 |
42 / 44 |
47 / 51 |
n / nBre |
100 / 134 |
100 / 134 |
114 / 153 |
p / pBre |
100 / 89 |
100 / 89 |
114 / 108 |
|
| |