
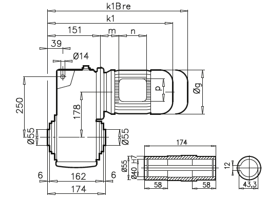
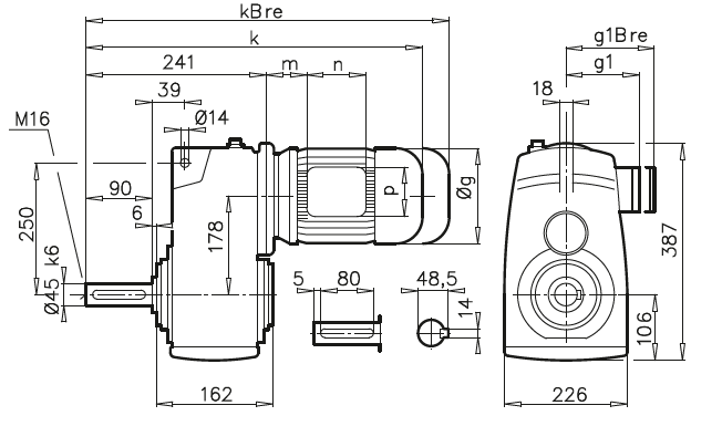
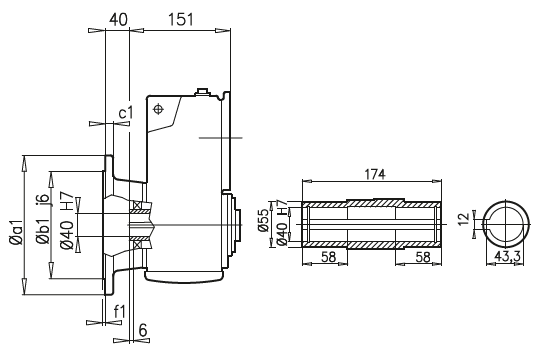
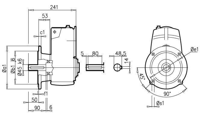
Габаритно-присоединительные размеры SK 3282 |
| |
|
SK SK 3282A

SK 3282V

SK 3282AF

SK 3282VF

a1 |
b1 |
c1 |
e1 |
f1 |
s1 |
250 |
180 |
15 |
215 |
4 |
4x13,5 |
300 |
230 |
20 |
265 |
4 |
4x14 |
SK 3282EA, SK 3282AB

| |
71 S/L |
80 S/L |
90 S/L |
100 L |
112 M |
132 S/M |
g |
145 |
165 |
183 |
201 |
228 |
266 |
g1 / g1Bre |
124 / 133 |
142 / 142 |
147 / 147 |
169 / 172 |
179 / 182 |
204 / 201 |
k1 / k1Bre |
381 / 439 |
406 / 470 |
447 / 522 |
477 / 568 |
500 / 593 |
586 / 693 |
k / kBre |
471 / 529 |
496 / 560 |
537 / 612 |
567 / 658 |
590 / 683 |
676 / 783 |
m / mBre |
36 / 43 |
41 / 45 |
46 / 50 |
52 / 56 |
68 / 72 |
71 / 51 |
n / nBre |
100 / 134 |
114 / 153 |
114 / 153 |
114 / 153 |
114 / 153 |
122 / 185 |
p / pBre |
100 / 89 |
114 / 108 |
114 / 108 |
114 / 108 |
114 / 108 |
122 / 139 |
|
| |