
Габаритно-присоединительные размеры SK 1382NB |
| |
|
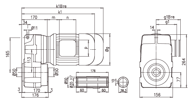
SK 1382NB/A

SK 1382NB/V

|
63 S/L |
71 S/L |
80 S/L |
90 S/L |
100 L |
g |
130 |
145 |
165 |
183 |
201 |
g1 / g1Bre |
115 / 123 |
124 / 133 |
142 / 142 |
147 / 147 |
169 / 172 |
k1 / k1Bre |
362 / 418 |
381/ 439 |
403 / 467 |
458 / 533 |
488 / 579 |
k / kBre |
422 / 478 |
441 / 499 |
463 / 527 |
518 / 593 |
548 / 639 |
m / mBre |
12 / 19 |
20 / 27 |
22 / 26 |
26 / 30 |
32 / 36 |
n / nBre |
100 / 134 |
100 / 134 |
114 / 153 |
114 / 153 |
114 / 153 |
p / pBre |
100 / 89 |
100 / 89 |
114 / 108 |
114 / 108 |
114 / 108 |
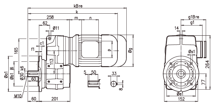
SK 1382NB/AF

SK 1382NB/VF

a1 |
b1 |
c1 |
e1 |
f1 |
s1 |
160 |
110 |
12 |
130 |
3,5 |
4x9 |
200 |
130 |
12 |
165 |
3,5 |
4x11 |
| |
63 S/L |
71 S/L |
80 S/L |
90 S/L |
100 L |
g |
130 |
145 |
165 |
183 |
201 |
g1 / g1Bre |
115 / 123 |
124 / 133 |
142 / 142 |
147 / 147 |
169 / 172 |
k1 / k1Bre |
390 / 446 |
409/ 467 |
431 / 495 |
486 / 561 |
516 / 507 |
k / kBre |
450 / 506 |
469 / 527 |
491 / 555 |
546 / 621 |
576 / 667 |
m / mBre |
12 / 19 |
20 / 27 |
22 / 26 |
26 / 30 |
32 / 36 |
n / nBre |
100 / 134 |
100 / 134 |
114 / 153 |
114 / 153 |
114 / 153 |
p / pBre |
100 / 89 |
100 / 89 |
114 / 108 |
114 / 108 |
114 / 108 |
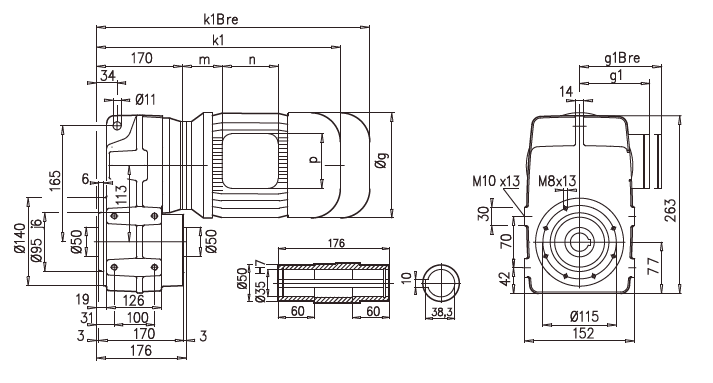
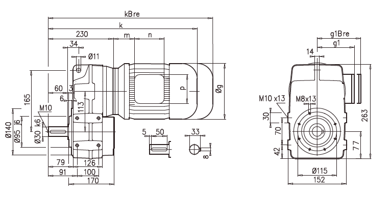
SK 1382NB/AZ

SK 1382NB/VZ

| |
63 S/L |
71 S/L |
80 S/L |
90 S/L |
100 L |
g |
130 |
145 |
165 |
183 |
201 |
g1 / g1Bre |
115 / 123 |
124 / 133 |
142 / 142 |
147 / 147 |
169 / 172 |
k1 / k1Bre |
362 / 418 |
381/ 439 |
403 / 467 |
458 / 533 |
488 / 579 |
k / kBre |
422 / 478 |
441 / 499 |
463 / 527 |
518 / 593 |
548 / 639 |
m / mBre |
12 / 19 |
20 / 27 |
22 / 26 |
26 / 30 |
32 / 36 |
n / nBre |
100 / 134 |
100 / 134 |
114 / 153 |
114 / 153 |
114 / 153 |
p / pBre |
100 / 89 |
100 / 89 |
114 / 108 |
114 / 108 |
114 / 108 |
|
| |