
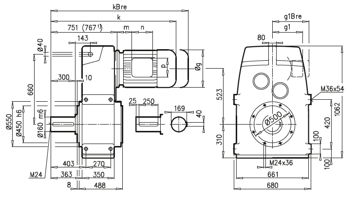
Габаритно-присоединительные размеры SK10382 |
| |
|
SK 10382AZSH

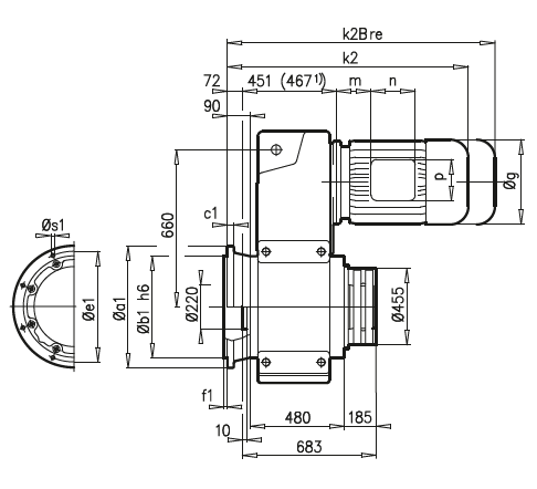
SK 10382VZ

SK 10382AFSH

SK 10382VF

a1 |
b1 |
c1 |
e1 |
f1 |
s1 |
660 |
550 |
35 |
600 |
8 |
8x26 |
SK 10382ASH

| |
132 S/M |
160 M/L |
180MX/LX |
200 L |
225 S/M |
250 M1) |
280 S1) |
280 M1) |
315 S1) |
315 M1) |
g |
266 |
320 |
358 |
398 |
398 |
495 |
555 |
555 |
610 |
610 |
g1 / g1Bre |
204 / 201 |
242 / 242 |
259 / 259 |
306 / 306 |
306 / 306 |
392 / 392 |
432 / 432 |
432 / 432 |
500 / – |
500 / – |
k1 / k1Bre |
886 / 993 |
943 / 1122 |
1053 / 1158 |
1139 / 1306 |
1139 / 1306 |
1227 / 1477 |
1297 / 1477 |
1287 / 1577 |
1399/ – |
1559 / – |
k2 / k2Bre |
958 / 1065 |
1015 / 1194 |
1125 / 1230 |
1211 / 1378 |
1211 / 1378 |
1299 / 1549 |
1369 / 1549 |
1359 / 1649 |
1471 / – |
1631 / – |
k / kBre |
1186 /1293 |
1243 /1422 |
1353 /1458 |
1439 / 1606 |
1439 /1606 |
1527 /1777 |
1597 /1777 |
1587 /1877 |
1699 / – |
1859 / – |
m / mBre |
71 / 64 |
52 / 52 |
93 / 78 |
110 / 110 |
110 / 110 |
129 / 129 |
144 / 144 |
144 / 144 |
132 / – |
132 / – |
n / nBre |
122 / 185 |
186 / 186 |
132 / 162 |
192 / 192 |
192 / 192 |
236 / 236 |
236 / 236 |
236 / 236 |
307 / – |
307 / – |
p / pBre |
122 / 139 |
186 / 186 |
152 / 162 |
260 / 260 |
260 / 260 |
300 / 300 |
300 / 300 |
300 / 300 |
380 / – |
389 / – |
|
| |