
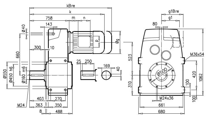
Габаритно-присоединительные размеры SK10282 |
| |
|
SK 10282AZSH

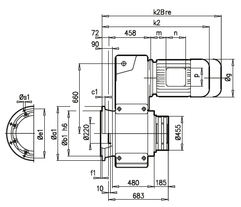
SK 10282VZ

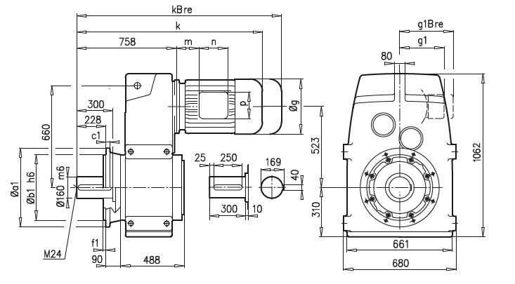
SK 10282AFSH

SK 10282VF

a1 |
b1 |
c1 |
e1 |
f1 |
s1 |
660 |
550 |
35 |
600 |
8 |
8x26 |
SK 10282ASH

| |
280 S |
280 M |
315 S |
315 M |
315 L |
g |
555 |
555 |
610 |
610 |
610 |
g1 / g1Bre |
432 / 432 |
432 / 432 |
500 / – |
500 / – |
500 / – |
k1 / k1Bre |
1297 / 1477 |
1287 / 1577 |
1399 / – |
1559 / – |
1699 / – |
k2 / k2Bre |
1369 / 1549 |
1359 / 1649 |
1471 / – |
1631 / – |
1771 / – |
k / kBre |
1597 / 1777 |
1587 / 1877 |
1699 / – |
1859 / – |
1999 / – |
m / mBre |
144 / 144 |
144 / 144 |
132 / – |
132 / – |
132 / – |
n / nBre |
236 / 236 |
236 / 236 |
307 / – |
307 / – |
307 / – |
p / pBre |
300 / 300 |
300 / 300 |
380 / – |
380 / – |
380 / – |
|
| |