
Габаритно-присоединительные размеры SK 0182NB |
| |
|
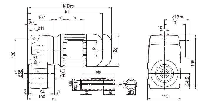
SK 0182NB/A

SK 0182NB/V

SK 0182NB/AB

|
63 S/L |
71 S/L |
80 S/L |
g |
130 |
145 |
165 |
g1 / g1Bre |
115 / 123 |
124 / 133 |
142 / 142 |
k1 / k1Bre |
299 / 355 |
321 / 379 |
343 / 407 |
k / kBre |
349 / 405 |
371 / 429 |
393 / 457 |
m / mBre |
12 / 19 |
20 / 27 |
22 / 26 |
n / nBre |
100 / 134 |
100 / 134 |
114 / 153 |
p / pBre |
100 / 89 |
100 / 89 |
114 / 108 |
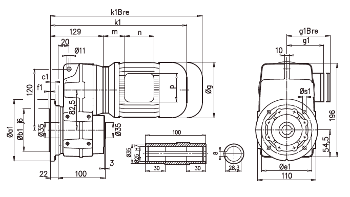
SK 0182NB/AF

SK 0182NB/VF

a1 |
b1 |
c1 |
e1 |
f1 |
s1 |
140 |
95 |
10 |
115 |
3,0 |
4x9 |
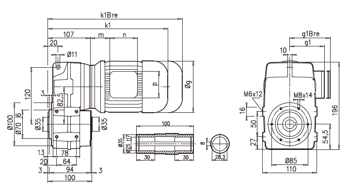
SK 0182NB/AB

| |
63 S/L |
71 S/L |
80 S/L |
g |
130 |
145 |
165 |
g1 / g1Bre |
115 / 123 |
124 / 133 |
142 / 142 |
k1 / k1Bre |
321 / 377 |
343 / 401 |
365 / 429 |
k / kBre |
371 / 427 |
393 / 451 |
415 / 479 |
m / mBre |
12 / 19 |
20 / 27 |
22 / 26 |
n / nBre |
100 / 134 |
100 / 134 |
114 / 153 |
p / pBre |
100 / 89 |
100 / 89 |
114 / 108 |
SK 0182NB/AZ

SK 0182NB/VZ

SK 0182NB/AB

| |
63 S/L |
71 S/L |
80 S/L |
g |
130 |
145 |
165 |
g1 / g1Bre |
115 / 123 |
124 / 133 |
142 / 142 |
k1 / k1Bre |
299 / 355 |
321/ 379 |
343 / 407 |
k / kBre |
349 / 405 |
371 / 429 |
393 / 457 |
m / mBre |
12 / 19 |
20 / 27 |
22 / 26 |
n / nBre |
100 / 134 |
100 / 134 |
114 / 153 |
p / pBre |
100 / 89 |
100 / 89 |
114 / 108 |
|
| |