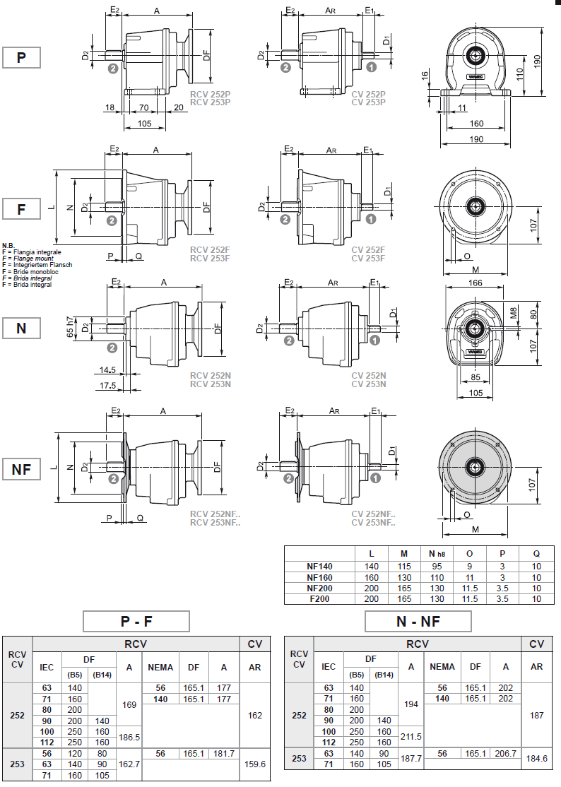
Габаритные и присоединительные размеры RCV 252-253

 

Назад

Габаритные и присоединительные размеры RCV 252-253

Габаритные и присоединительные размеры RCV 252-253

 

Назад

 
© 2014 Редукторы, мотор-редукторы, устройства плавного пуска, преобразователи частоты