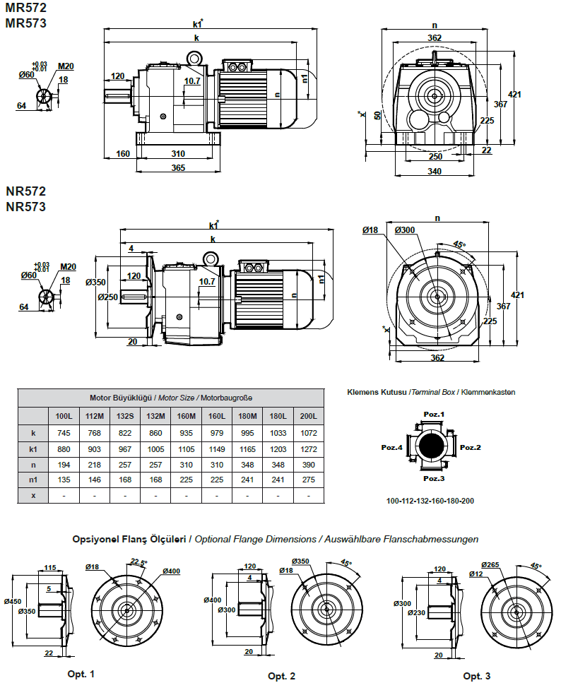
Габаритные и присоединительные размеры MR572, MR573 (MRF572, MRF573)

 

Назад

Габаритные и присоединительные размеры MR572, MR573 (MRF572, MRF573)

Назад

 
© 2014 Редукторы, мотор-редукторы, устройства плавного пуска, преобразователи частоты