
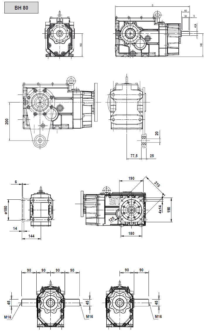
Габаритно-присоединительные размеры MBH 80 |
| |


|
А |
G |
ВН 80 |
|
438,5 |
МВН80 РАМ 71 |
87 |
391 |
МВН80 РАМ 80 |
87 |
391 |
МВН80 РАМ 90 |
87 |
391 |
МВН80 РАМ 100 |
109,5 |
413,5 |
МВН80 РАМ 112 |
109,5 |
413,5 |
МВН80 РАМ 132 |
116 |
420 |
MBHGC80 GR.71 |
144 |
448 |
MBHGC80 GR.80 |
144 |
448 |
MBHGC80 GR.90 |
144 |
448 |
MBHGC80 GR.100 |
168 |
472 |
MBHGC80 GR.112 |
168 |
472 |
MBHGC80 GR.132 |
188 |
492 |
i |
MBH |
MBHGC |
71 |
80 |
90 |
100 |
112 |
132 |
71 |
80 |
90 |
100 |
112 |
132 |
7,62 |
|
|
|
|
|
|
|
|
|
|
|
|
8.89 |
|
|
|
|
|
|
|
|
|
|
|
|
10,42 |
|
|
|
|
|
|
|
|
|
|
|
|
12,43 |
|
|
|
|
|
|
|
|
|
|
|
|
14,51 |
|
|
|
|
|
|
|
|
|
|
|
|
17,01 |
|
|
|
|
|
|
|
|
|
|
|
|
22,84 |
|
|
|
|
|
|
|
|
|
|
|
|
26,17 |
|
|
|
|
|
|
|
|
|
|
|
|
30,24 |
|
|
|
|
|
|
|
|
|
|
|
|
35,33 |
|
|
|
|
|
|
|
|
|
|
|
|
39,59 |
|
|
|
|
|
|
|
|
|
|
|
|
47,38 |
|
|
|
|
|
|
|
|
|
|
|
|
54,19 |
|
|
|
|
|
|
|
|
|
|
|
|
62,81 |
|
|
|
|
|
|
|
|
|
|
|
|
74,09 |
|
|
|
|
|
|
|
|
|
|
|
|
99,45 |
|
|
|
|
|
|
|
|
|
|
|
|
128,42 |
|
|
|
|
|
|
|
|
|
|
|
|
153,41 |
|
|
|
|
|
|
|
|
|
|
|
|
172,39 |
|
|
|
|
|
|
|
|
|
|
|
|
193,56 |
|
|
|
|
|
|
|
|
|
|
|
|

|
| |