
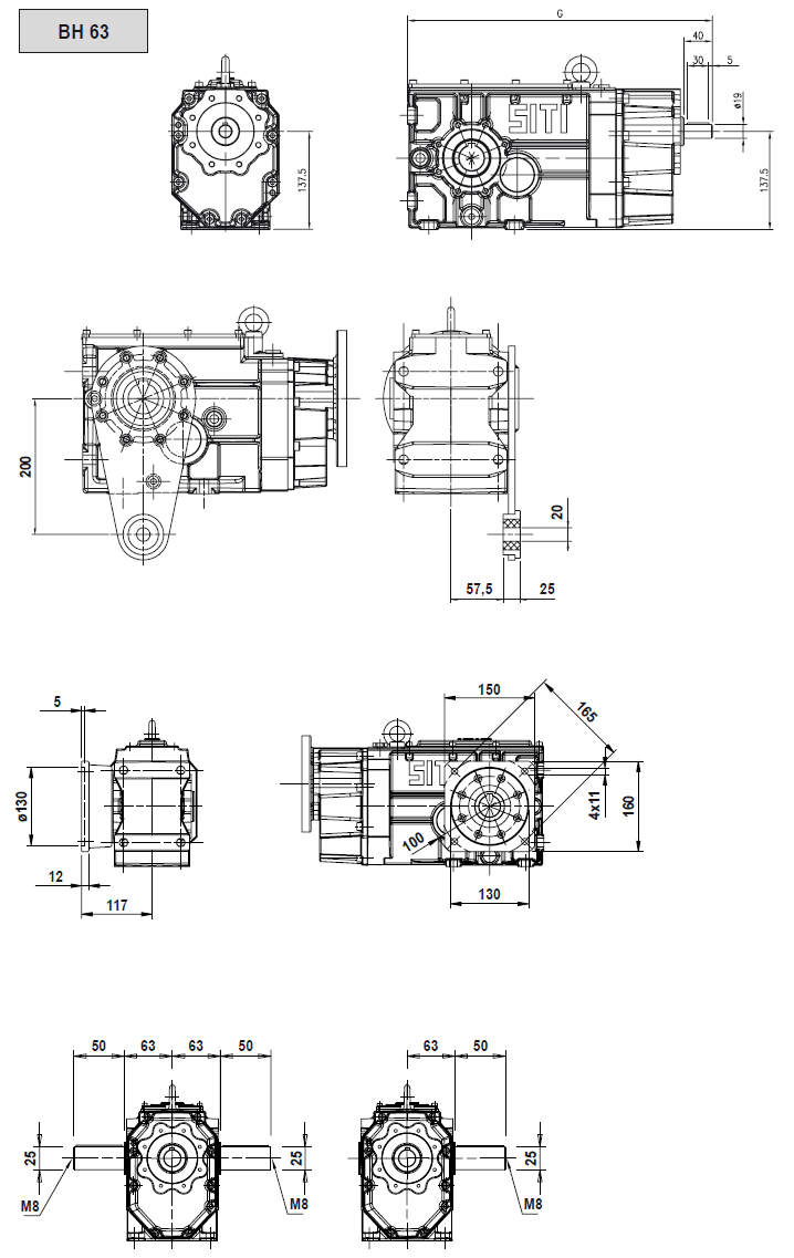
Габаритно-присоединительные размеры MBH 63 |
| |


|
А |
G |
ВН 63 |
|
427,5 |
МВН63 РАМ 71 |
87 |
380 |
МВН63 РАМ 80 |
87 |
380 |
МВН63 РАМ 90 |
87 |
380 |
МВН63 РАМ 100 |
109,5 |
402,5 |
МВН63 РАМ 112 |
109,5 |
402,5 |
MBHGC63 GR.71 |
144 |
437 |
MBHGC63 GR.80 |
144 |
437 |
MBHGC63 GR.90 |
144 |
437 |
MBHGC63 GR.100 |
168 |
461 |
MBHGC63 GR.112 |
168 |
461 |
i |
MBH |
MBHGC |
71 |
80 |
90 |
100 |
112 |
71 |
80 |
90 |
100 |
112 |
7,75 |
|
|
|
|
|
|
|
|
|
|
9,05 |
|
|
|
|
|
|
|
|
|
|
10.61 |
|
|
|
|
|
|
|
|
|
|
12,10 |
|
|
|
|
|
|
|
|
|
|
14.13 |
|
|
|
|
|
|
|
|
|
|
16,56 |
|
|
|
|
|
|
|
|
|
|
19,54 |
|
|
|
|
|
|
|
|
|
|
22,24 |
|
|
|
|
|
|
|
|
|
|
33,86 |
|
|
|
|
|
|
|
|
|
|
40,77 |
|
|
|
|
|
|
|
|
|
|
44,17 |
|
|
|
|
|
|
|
|
|
|
52,76 |
|
|
|
|
|
|
|
|
|
|
79,96 |
|
|
|
|
|
|
|
|
|
|
91,45 |
|
|
|
|
|
|
|
|
|
|
96,83 |
|
|
|
|
|
|
|
|
|
|
106,00 |
|
|
|
|
|
|
|
|
|
|
125,03 |
|
|
|
|
|
|
|
|
|
|
149,36 |
|
|
|
|
|
|
|
|
|
|
167,83 |
|
|
|
|
|
|
|
|
|
|
188,44 |
|
|
|
|
|
|
|
|
|
|

|
| |