|
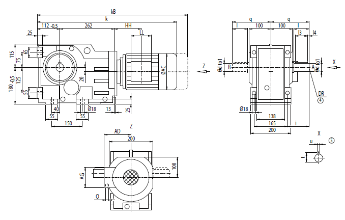
Монтажное исполнение фланец (тип-С)

| d |
to1 |
l |
l3 |
l4 |
t |
u |
i |
q |
DR |
50 *) |
k6 |
100 |
80 |
10 |
53.5 |
14 |
122.5 |
205 |
M16x36 |
70 |
m6 |
140 |
110 |
15 |
74.5 |
20 |
162.5 |
245 |
M20x42 |
| Мотор |
K88
k |
kB |
AC |
AD |
AG |
LL |
HH |
O |
Вес
K88 |
LA71 |
621.0 |
676.0 |
139.0 |
146 |
90 |
90 |
103.0 |
M20x1.5/M25x1.5 |
73 |
LA71Z |
640.0 |
695.0 |
139.0 |
146 |
90 |
90 |
103.0 |
M20x1.5/M25x1.5 |
73 |
LA80 |
658.0 |
721.5 |
156.5 |
155 |
90 |
90 |
102.5 |
M20x1.5/M25x1.5 |
78 |
LA80Z |
680.5 |
744.0 |
156.5 |
155 |
90 |
90 |
175.5 |
M20x1.5/M25x1.5 |
82 |
LA90S/L |
689.0 |
760.0 |
174.0 |
163 |
90 |
90 |
102.5 |
M20x1.5/M25x1.5 |
83 |
LA90ZL |
734.0 |
805.0 |
174.0 |
163 |
90 |
90 |
226.5 |
M20x1.5/M25x1.5 |
89 |
LA100L |
735.0 |
816.0 |
195.0 |
168 |
120 |
120 |
143.0 |
2xM32x1.5 |
92 |
LA100ZL |
805.0 |
886.0 |
195.0 |
168 |
120 |
120 |
275.0 |
2xM32x1.5 |
102 |
LA112M |
762.0 |
843.0 |
219.0 |
181 |
120 |
120 |
146.0 |
2xM32x1.5 |
104 |
LA112ZM |
790.0 |
871.0 |
219.0 |
181 |
120 |
120 |
250.0 |
2xM32x1.5 |
111 |
LA132S/M |
822.0 |
924.0 |
259.0 |
195 |
140 |
140 |
186.5 |
2xM32x1.5 |
117 |
LA132ZM |
868.0 |
970.0 |
259.0 |
195 |
140 |
140 |
294.5 |
2xM32x1.5 |
138 |
LA160M/L |
924.5 |
1 043.0 |
313.5 |
227 |
165 |
165 |
212.0 |
2xM40x1.5 |
149 |
LA160ZL |
972.5 |
1 091.0 |
313.5 |
227 |
165 |
165 |
365.0 |
2xM40x1.5 |
188 |
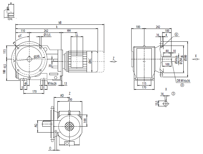
Монтажное исполнение на фланце (тип A)

| Мотор |
KF88
k |
kB |
AC |
AD |
AG |
LL |
HH |
O |
Вес
KF88 |
LA71 |
619.0 |
674.0 |
139.0 |
146 |
90 |
90 |
103.0 |
M20x1.5/M25x1.5 |
80 |
LA71Z |
638.0 |
693.0 |
139.0 |
146 |
90 |
90 |
103.0 |
M20x1.5/M25x1.5 |
80 |
LA80 |
656.0 |
719.5 |
156.5 |
155 |
90 |
90 |
102.5 |
M20x1.5/M25x1.5 |
85 |
LA80Z |
678.5 |
742.0 |
156.5 |
155 |
90 |
90 |
175.5 |
M20x1.5/M25x1.5 |
89 |
LA90S/L |
687.0 |
758.0 |
174.0 |
163 |
90 |
90 |
102.5 |
M20x1.5/M25x1.5 |
89 |
LA90ZL |
732.0 |
803.0 |
174.0 |
163 |
90 |
90 |
226.5 |
M20x1.5/M25x1.5 |
95 |
LA100L |
733.0 |
814.0 |
195.0 |
168 |
120 |
120 |
143.0 |
2xM32x1.5 |
99 |
LA100ZL |
803.0 |
884.0 |
195.0 |
168 |
120 |
120 |
275.0 |
2xM32x1.5 |
109 |
LA112M |
760.0 |
841.0 |
219.0 |
181 |
120 |
120 |
146.0 |
2xM32x1.5 |
110 |
LA112ZM |
788.0 |
869.0 |
219.0 |
181 |
120 |
120 |
250.0 |
2xM32x1.5 |
117 |
LA132S/M |
820.0 |
922.0 |
259.0 |
195 |
140 |
140 |
186.5 |
2xM32x1.5 |
123 |
LA132ZM |
866.0 |
968.0 |
259.0 |
195 |
140 |
140 |
294.5 |
2xM32x1.5 |
144 |
LA160M/L |
922.5 |
1 041.0 |
313.5 |
227 |
165 |
165 |
212.0 |
2xM40x1.5 |
156 |
LA160ZL |
970.5 |
1 089.0 |
313.5 |
227 |
165 |
165 |
365.0 |
2xM40x1.5 |
195 |
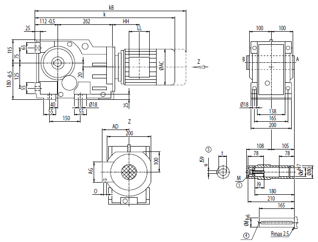
Монтажное исполнение корпус-фланец (тип C)

| d |
l9 |
M |
t |
u |
50 *) |
44.5 |
M16 |
53.8 |
14 |
60 |
54.0 |
M20 |
64.4 |
18 |
| Мотор |
KA88
k |
kB |
AC |
AD |
AG |
LL |
HH |
O |
Вес
KA88 |
LA71 |
621.0 |
676.0 |
139.0 |
146 |
90 |
90 |
103.0 |
M20x1.5/M25x1.5 |
65 |
LA71Z |
640.0 |
695.0 |
139.0 |
146 |
90 |
90 |
103.0 |
M20x1.5/M25x1.5 |
65 |
LA80 |
658.0 |
721.5 |
156.5 |
155 |
90 |
90 |
102.5 |
M20x1.5/M25x1.5 |
70 |
LA80Z |
680.5 |
744.0 |
156.5 |
155 |
90 |
90 |
175.5 |
M20x1.5/M25x1.5 |
74 |
LA90S/L |
689.0 |
760.0 |
174.0 |
163 |
90 |
90 |
102.5 |
M20x1.5/M25x1.5 |
75 |
LA90ZL |
734.0 |
805.0 |
174.0 |
163 |
90 |
90 |
226.5 |
M20x1.5/M25x1.5 |
81 |
LA100L |
735.0 |
816.0 |
195.0 |
168 |
120 |
120 |
143.0 |
2xM32x1.5 |
84 |
LA100ZL |
805.0 |
886.0 |
195.0 |
168 |
120 |
120 |
275.0 |
2xM32x1.5 |
94 |
LA112M |
762.0 |
843.0 |
219.0 |
181 |
120 |
120 |
146.0 |
2xM32x1.5 |
96 |
LA112ZM |
790.0 |
871.0 |
219.0 |
181 |
120 |
120 |
250.0 |
2xM32x1.5 |
103 |
LA132S/M |
822.0 |
924.0 |
259.0 |
195 |
140 |
140 |
186.5 |
2xM32x1.5 |
109 |
LA132ZM |
868.0 |
970.0 |
259.0 |
195 |
140 |
140 |
294.5 |
2xM32x1.5 |
130 |
LA160M/L |
924.5 |
1 043.0 |
313.5 |
227 |
165 |
165 |
212.0 |
2xM40x1.5 |
141 |
LA160ZL |
972.5 |
1 091.0 |
313.5 |
227 |
165 |
165 |
365.0 |
2xM40x1.5 |
180 |
|