|
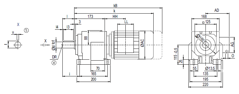
Монтажное исполнение на лапах D48, Z48

| d |
to1 |
l |
l4 |
l3 |
t |
u |
i |
DR |
30 *) |
k6 |
60 |
7 |
50 |
33 |
8 |
90 |
M10x22 |
35 |
k6 |
70 |
63 |
4 |
38 |
10 |
100 |
M10x22 |
40 |
k6 |
80 |
5 |
70 |
43 |
12 |
110 |
M16x36 |
| Мотор |
Z48
k |
kB |
D48
k |
kB |
AC |
AD |
AG |
LL |
Z48
HH |
D48
HH |
O |
Вес
Z48 |
D48 |
LA71 |
426.0 |
481.0 |
443.0 |
498.0 |
139.0 |
146 |
90 |
90 |
109.0 |
126.0 |
M20x1.5/M25x1.5 |
26 |
27 |
LA71Z |
445.0 |
500.0 |
462.0 |
517.0 |
139.0 |
146 |
90 |
90 |
109.0 |
126.0 |
M20x1.5/M25x1.5 |
26 |
27 |
LA80 |
463.0 |
526.5 |
480.0 |
543.5 |
156.5 |
155 |
90 |
90 |
108.5 |
125.5 |
M20x1.5/M25x1.5 |
31 |
32 |
LA80Z |
485.5 |
549.0 |
502.5 |
566.0 |
156.5 |
155 |
90 |
90 |
181.5 |
198.5 |
M20x1.5/M25x1.5 |
35 |
36 |
LA90S/L |
494.0 |
565.0 |
511.0 |
582.0 |
174.0 |
163 |
90 |
90 |
108.5 |
125.5 |
M20x1.5/M25x1.5 |
35 |
36 |
LA90ZL |
539.0 |
610.0 |
556.0 |
627.0 |
174.0 |
163 |
90 |
90 |
232.5 |
249.5 |
M20x1.5/M25x1.5 |
41 |
41 |
LA100L |
540.0 |
621.0 |
557.0 |
638.0 |
195.0 |
168 |
120 |
120 |
149.0 |
166.0 |
2xM32x1.5 |
44 |
45 |
LA100ZL |
610.0 |
691.0 |
627.0 |
708.0 |
195.0 |
168 |
120 |
120 |
281.0 |
298.0 |
2xM32x1.5 |
54 |
55 |
LA112M |
569.0 |
650.0 |
– |
– |
219.0 |
181 |
120 |
120 |
154.0 |
– |
2xM32x1.5 |
56 |
– |
LA112ZM |
597.0 |
678.0 |
– |
– |
219.0 |
181 |
120 |
120 |
258.0 |
– |
2xM32x1.5 |
63 |
– |
LA132S/M |
631.0 |
733.0 |
– |
– |
259.0 |
195 |
140 |
140 |
196.5 |
– |
2xM32x1.5 |
66 |
– |
LA132ZM |
677.0 |
779.0 |
– |
– |
259.0 |
195 |
140 |
140 |
304.5 |
– |
2xM32x1.5 |
87 |
– |
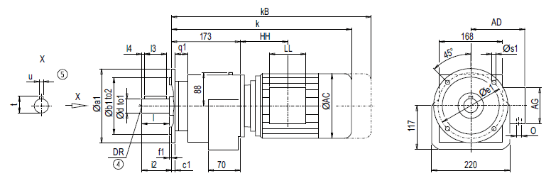
Монтажное исполнение на фланце DF/ZF48 (тип A)

| Фланец |
a1 |
b1 |
to2 |
c1 |
e1 |
f1 |
q1 |
s1 |
d |
to1 |
l |
l4 |
l3 |
t |
u |
i2 |
DR |
A200 |
200 |
130 |
j6 |
12 |
165 |
3.5 |
29 |
11.0 |
30 *) |
k6 |
60 |
7 |
50 |
33 |
8 |
60 |
M10x22 |
35 |
k6 |
70 |
4 |
63 |
38 |
10 |
70 |
M10x22 |
40 |
k6 |
80 |
5 |
70 |
43 |
12 |
80 |
M16x36 |
A250 1) |
250 |
180 |
j6 |
15 |
215 |
4.0 |
26 |
13.5 |
30 *) |
k6 |
60 |
7 |
50 |
33 |
8 |
60 |
M10x22 |
35 |
k6 |
70 |
4 |
63 |
38 |
10 |
70 |
M10x22 |
40 |
k6 |
80 |
5 |
70 |
43 |
12 |
80 |
M16x36 |
A300 |
300 |
230 |
j6 |
15 |
265 |
4.0 |
26 |
13.5 |
30 *) |
k6 |
60 |
7 |
50 |
33 |
8 |
60 |
M10x22 |
35 |
k6 |
70 |
4 |
63 |
38 |
10 |
70 |
M10x22 |
40 |
k6 |
80 |
5 |
70 |
43 |
12 |
80 |
M16x36 |
| Мотор |
ZF48
k |
kB |
DF48
k |
kB |
AC |
AD |
AG |
LL |
ZF48
HH |
DF48
HH |
O |
Вес
ZF48 |
DF48 |
LA71 |
426.0 |
481.0 |
443.0 |
498.0 |
139.0 |
146 |
90 |
90 |
109.0 |
126.0 |
M20x1.5/M25x1.5 |
27 |
28 |
LA71Z |
445.0 |
500.0 |
462.0 |
517.0 |
139.0 |
146 |
90 |
90 |
109.0 |
126.0 |
M20x1.5/M25x1.5 |
27 |
28 |
LA80 |
463.0 |
526.5 |
480.0 |
543.5 |
156.5 |
155 |
90 |
90 |
108.5 |
125.5 |
M20x1.5/M25x1.5 |
32 |
33 |
LA80Z |
485.5 |
549.0 |
502.5 |
566.0 |
156.5 |
155 |
90 |
90 |
181.5 |
198.5 |
M20x1.5/M25x1.5 |
36 |
37 |
LA90S/L |
494.0 |
565.0 |
511.0 |
582.0 |
174.0 |
163 |
90 |
90 |
108.5 |
125.5 |
M20x1.5/M25x1.5 |
37 |
38 |
LA90ZL |
539.0 |
610.0 |
556.0 |
627.0 |
174.0 |
163 |
90 |
90 |
232.5 |
249.5 |
M20x1.5/M25x1.5 |
43 |
44 |
LA100L |
540.0 |
621.0 |
557.0 |
638.0 |
195.0 |
168 |
120 |
120 |
149.0 |
166.0 |
2xM32x1.5 |
46 |
47 |
LA100ZL |
610.0 |
691.0 |
627.0 |
708.0 |
195.0 |
168 |
120 |
120 |
281.0 |
298.0 |
2xM32x1.5 |
56 |
57 |
LA112M |
569.0 |
650.0 |
– |
– |
219.0 |
181 |
120 |
120 |
154.0 |
– |
2xM32x1.5 |
57 |
– |
LA112ZM |
597.0 |
678.0 |
– |
– |
219.0 |
181 |
120 |
120 |
258.0 |
– |
2xM32x1.5 |
64 |
– |
LA132S/M |
631.0 |
733.0 |
– |
– |
259.0 |
195 |
140 |
140 |
196.5 |
– |
2xM32x1.5 |
67 |
– |
LA132ZM |
677.0 |
779.0 |
– |
– |
259.0 |
195 |
140 |
140 |
304.5 |
– |
2xM32x1.5 |
88 |
– |
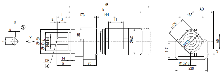
Монтажное исполнение на фланце DZ/ZZ48 (тип С)

| d |
to1 |
l |
l4 |
l3 |
t |
u |
i2 |
DR |
30 *) |
k6 |
60 |
7 |
50 |
33 |
8 |
77 |
M10x22 |
35 |
k6 |
70 |
4 |
63 |
38 |
10 |
87 |
M10x22 |
40 |
k6 |
80 |
5 |
70 |
43 |
12 |
97 |
M16x36 |
| Мотор |
ZZ48
k |
kB |
DZ48
k |
kB |
AC |
AD |
AG |
LL |
ZZ48
HH |
DZ48
HH |
O |
Вес
ZZ48 |
DZ48 |
LA71 |
426.0 |
481.0 |
443.0 |
498.0 |
139.0 |
146 |
90 |
90 |
109.0 |
126.0 |
M20x1.5/M25x1.5 |
24 |
25 |
LA71Z |
445.0 |
500.0 |
462.0 |
517.0 |
139.0 |
146 |
90 |
90 |
109.0 |
126.0 |
M20x1.5/M25x1.5 |
24 |
25 |
LA80 |
463.0 |
526.5 |
480.0 |
543.5 |
156.5 |
155 |
90 |
90 |
108.5 |
125.5 |
M20x1.5/M25x1.5 |
29 |
30 |
LA80Z |
485.5 |
549.0 |
502.5 |
566.0 |
156.5 |
155 |
90 |
90 |
181.5 |
198.5 |
M20x1.5/M25x1.5 |
33 |
34 |
LA90S/L |
494.0 |
565.0 |
511.0 |
582.0 |
174.0 |
163 |
90 |
90 |
108.5 |
125.5 |
M20x1.5/M25x1.5 |
33 |
34 |
LA90ZL |
539.0 |
610.0 |
556.0 |
627.0 |
174.0 |
163 |
90 |
90 |
232.5 |
249.5 |
M20x1.5/M25x1.5 |
39 |
40 |
LA100L |
540.0 |
621.0 |
557.0 |
638.0 |
195.0 |
168 |
120 |
120 |
149.0 |
166.0 |
2xM32x1.5 |
42 |
43 |
LA100ZL |
610.0 |
691.0 |
627.0 |
708.0 |
195.0 |
168 |
120 |
120 |
281.0 |
298.0 |
2xM32x1.5 |
52 |
53 |
LA112M |
569.0 |
650.0 |
– |
– |
219.0 |
181 |
120 |
120 |
154.0 |
– |
2xM32x1.5 |
54 |
– |
LA112ZM |
597.0 |
678.0 |
– |
– |
219.0 |
181 |
120 |
120 |
258.0 |
– |
2xM32x1.5 |
61 |
– |
LA132S/M |
631.0 |
733.0 |
– |
– |
259.0 |
195 |
140 |
140 |
196.5 |
– |
2xM32x1.5 |
64 |
– |
LA132ZM |
677.0 |
779.0 |
– |
– |
259.0 |
195 |
140 |
140 |
304.5 |
– |
2xM32x1.5 |
85 |
– |
|